Запчасти Case IH FARMALL 55A (21.112.01[03]) - MASTER CLUTCH HOUSING AND RELATED PARTS (21) - TRANSMISSION

Схема запчастей Case IH FARMALL 55A - (21.112.01[03]) - MASTER CLUTCH HOUSING AND RELATED PARTS (21) - TRANSMISSION
24
6
1
30
21
6
10
25
31
5
4
11
25
22
18
12
27
14
15
19
29
8
23
20
26
10
28
19
13
17
2
7
3
16
9
FIT
1:1
100%

Артикул

Название

Примечание

Количество

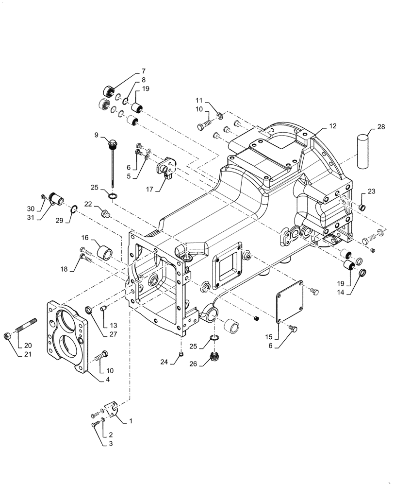
1

87638133

BRACKET

Plate, Oil Mounting Feeder Shuttle

1шт.

2

11193879

BELLEVILLE WASHER,M8 Bolt Size x 16mm OD x 1.4mm Thk

2шт.

3

16043621

BOLT,Hex, M8 x 1.25 x 25mm, Cl 8.8, Full Thd

2шт.

4

84395788

PLATE

Intermediate

1шт.

5

11190579

BELLEVILLE WASHER,M10 Bolt Size x 20mm OD x 2.3mm Thk

6шт.

6

15970421

SCREW,Hex, M10 x 1.25 x 18mm, Cl 8.8, Full Thd

6шт.

7

82824101

BUSHING,24.15mm ID x 34.95mm OD x 18mm L

O Ring Clutch Fork Shaft

2шт.

8

14463180

O-RING,0.921" ID x 0.139" Width

Seal

4шт.

9

47996417

DIPSTICK

Assy, Transmission Oil

1шт.

10

15540621

SCREW,Hex, M12 x 1.25 x 40mm, Cl 8.8, Full Thd

16шт.

11

11198670

BELLEVILLE WASHER,M12 Bolt Size x 24mm OD

12шт.

12

47957313

Master Clutch

1шт.

13

82823038

DOWEL

Master Clutch Housing

3шт.

14

82833791

PLUG

Clutch Housing

2шт.

15

87544411

COVER

Side Plate, Master Clutch Housing

1шт.

16

82824335

BUSHING

Brake Pedal - Shaft

2шт.

17

84176142

RUBBER BUMPER

Stop Assy, Clutch Pedal

1шт.

18

11234721

BOLT,Hex, M10 x 1.25 x 45, 8.8

2шт.

19

82833778

BUSHING,23.89mm ID x 25.74mm OD x 25mm L

Clutch Cross Shaft

4шт.

20

82834165

STUD

1шт.

21

10790311

NUT

1шт.

22

84183546

SCREW

Shuttle Detent

1шт.

23

87370543

PLUG

Clutch Housing

4шт.

24

84293167

PLUG

4шт.

25

10263460

SEAL,22.3mm ID x 28mm OD x 1.5mm Thk

2шт.

26

10305111

PLUG,M22 x 1.5 x 21, Cl5.8

Hex

1шт.

27

84179929

OIL SEAL

Shifter Housing

1шт.

28

82834930

Super Gasket

1шт.

29

14457880

O-RING,0.103" Thk x 0.987" ID, -120, Cl 5, 75 Duro

1шт.

30

16043121

SCREW,Hex, M8 x 1.25 x 14mm, Cl 8.8, Full Thd

1шт.

31

47957325

BUSHING

1шт.

Выбрано товаров: 31