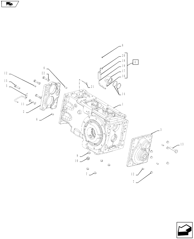
Запчасти Case IH FARMALL 55A (21.114.01) - TRANSMISSION HOUSING (21) - TRANSMISSION

Схема запчастей Case IH FARMALL 55A - (21.114.01) - TRANSMISSION HOUSING (21) - TRANSMISSION
home
16
6
9
7
5
21
2
22
4
7
20
6
14
19
12
15
1
18
8
17
10
11
13
12
3
FIT
1:1
100%

Артикул

Название

Примечание

Количество

1

87370478

BOX

Axle Housing, 2WD

1шт.

284mm DIA At The Center

1шт.

1

84263743

AXLE HOUSING

Box, 2WD

1шт.

294mm DIA At The Center

1шт.

USED ON & ABOVE PIN # 6174570 FARMALL 45A, 7181227 FARMALL 55A

1шт.

1

87554475

AXLE HOUSING

Box, 4WD

1шт.

284mm DIA At The Center

1шт.

1

84263744

AXLE HOUSING

Box, 4WD

1шт.

294mm DIA At The Center

1шт.

USED ON & ABOVE PIN # 6167715 FARMALL 45A, 7169064 FARMALL 55A

1шт.

2

84395774

PLATE

Plate, Intermediate

1шт.

2

84395788

PLATE

Intermediate 8x8

1шт.

3

87548726

COVER

Housing, Cover Rear Axle Casing

1шт.

3

84548135

AXLE HOUSING

Housing, Cover Rear Axle Casing

1шт.

USED ON & ABOVE PIN # 6174570 FARMALL 45A, 7181227 FARMALL 55A

1шт.

4

87622565

RIGID TUBE

Assy., Oil, Includes Ref. 16-20

1шт.

5

87622257

RIGID TUBE

14 x 10.5 x 9

1шт.

6

82823038

DOWEL

3шт.

7

87370543

PLUG

10шт.

8

14165470

LOCK PIN,M5 x 10, Slotted

1шт.

9

10263460

SEAL,22.3mm ID x 28mm OD x 1.5mm Thk

1шт.

10

14326540

MAGNETIC PLUG

PLUG, MAGNETIC M22 x 1.5

1шт.

11

15540721

SCREW,Hex, M12 x 1.25 x 45mm, Cl 8.8, Full Thd

13шт.

12

87370424

DOWEL

4шт.

13

15540221

BOLT,Hex, M12 x 1.25 x 20mm, Cl 8.8, Full Thd

1шт.

14

87544410

BUSHING

M8 x 16

2шт.

15

11234721

BOLT,Hex, M10 x 1.25 x 45, 8.8

2шт.

16

87624420

BUSHING

1шт.

17

87622582

BUSHING

1шт.

18

87621456

RIGID TUBE,18 mm ID x 25 mm OD x 74 mm L

1шт.

19

87622580

RIGID TUBE,10 mm OD x 84.5, 45 mm L

1шт.

20

87624421

BRACKET

Oil Feeder

1шт.

21

16043821

SCREW,Hex, M8 x 1.25 x 30mm, Cl 8.8, Full Thd

6шт.

22

11198670

BELLEVILLE WASHER,M12 Bolt Size x 24mm OD

13шт.

23

84216795

OIL SEAL

PTO Shaft, 40.1mm Id x 72mm OD x 11.4mm W

1шт.

Used With 87548726 Rear Housing

1шт.

23

84552375

SEAL

PTO Shaft, 45mm ID x 70mm OD x 17mm W

1шт.

Used With 84548135 Rear Housing

1шт.

Выбрано товаров: 38