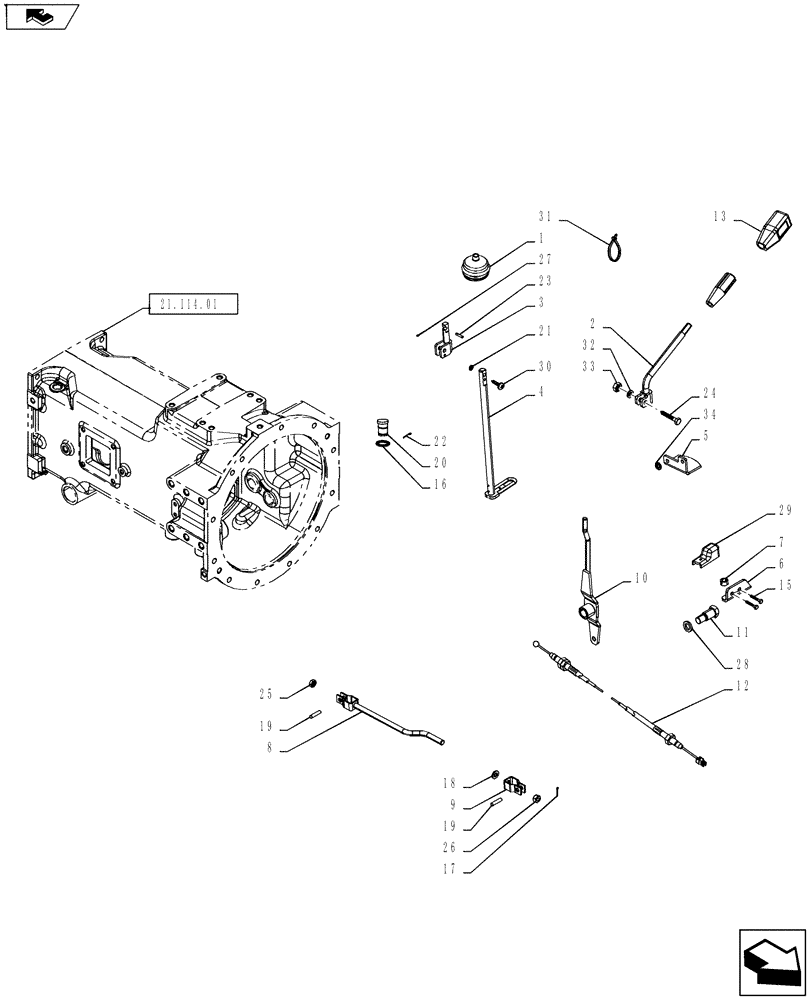
Запчасти Case IH FARMALL 55A (21.130.01) - 8X8 SHUTTLE - CONTROL LEVERS, CABLE, LINKAGE (21) - TRANSMISSION

Схема запчастей Case IH FARMALL 55A - (21.130.01) - 8X8 SHUTTLE - CONTROL LEVERS, CABLE, LINKAGE (21) - TRANSMISSION
20
26
16
28
15
4
23
12
32
13
11
9
5
21
34
3
7
10
25
27
8
22
17
19
19
29
6
home
2
18
31
33
21.114.01
24
1
30
FIT
1:1
100%

Артикул

Название

Примечание

Количество

1

87617198

BOOT

1шт.

2

84259360

CONTROL LEVER

1шт.

3

84129243

LEVER

1шт.

4

84129264

LEVER

1шт.

5

84129267

BRACKET

1шт.

6

84129245

BRACKET

1шт.

7

87617210

BUSHING

1шт.

8

84130631

LIFT LINK

1шт.

9

87498946

LINK

1шт.

10

84176137

LEVER

1шт.

11

87498949

PIN

1шт.

12

87645914

CABLE

1шт.

13

84131154

KNOB

1шт.

15

16043421

BOLT,Hex, M8 x 1.25 x 20mm, Cl 8.8, Full Thd

4шт.

16

86507012

SNAP RING,M6, Ext

Used To Attach Shuttle Cable

1шт.

17

10734401

COTTER PIN,M2 x 22

4шт.

18

12638601

WASHER,M10 x 18 x 2

4шт.

19

596420

PIN,10mm OD x 34mm L

2шт.

20

4998010

PIN,10mm OD x 18.5mm L

Used To Attach Shuttle Cable

1шт.

21

12646601

WASHER,6.15mm ID x 15mm OD x 1.5mm Thk

1шт.

22

82823520

PIN

M3

1шт.

23

82824374

PIN

1шт.

24

16043821

SCREW,Hex, M8 x 1.25 x 30mm, Cl 8.8, Full Thd

2шт.

25

16100811

NUT,Hex, M8, 6.80mm, Cl 8, ZND

1шт.

26

10791011

THIN NUT,Thin, M10 x 1.25, Cl 04

2шт.

27

10733801

COTTER PIN,M4 x 36

1шт.

28

10520221

WASHER,16.4mm ID x 28mm OD x 3mm Thk

1шт.

29

84224742

COVER

1шт.

30

10977921

SCREW,Hex, M5 x 18mm, Cl 8.8, Full Thd

1шт.

31

14560187

COLLAR,199mm L

1шт.

32

12646701

WASHER,8.15mm ID x 20mm OD x 2mm Thk

2шт.

33

16104111

NUT,Prevailing Torque, M8, 1.25 Pitch, 10.6mm High, Cl 08, ZND

1шт.

34

10571779

LOCK WASHER,Helical Spring, 8.10mm ID x 14.80mm OD x 2.00mm, ZNM

5шт.

Выбрано товаров: 33