Запчасти Case IH FARMALL 60A (21.140.AE[01]) - TRANSMISSION, GEAR SHIFTING UNIT (21) - TRANSMISSION

Схема запчастей Case IH FARMALL 60A - (21.140.AE[01]) - TRANSMISSION, GEAR SHIFTING UNIT (21) - TRANSMISSION
2
17
5
2
4
8
4
18
15
3
14
16
6
7
12
1
1
8
10
9
13
4
4
1
11
4
FIT
1:1
100%

Артикул

Название

Примечание

Количество

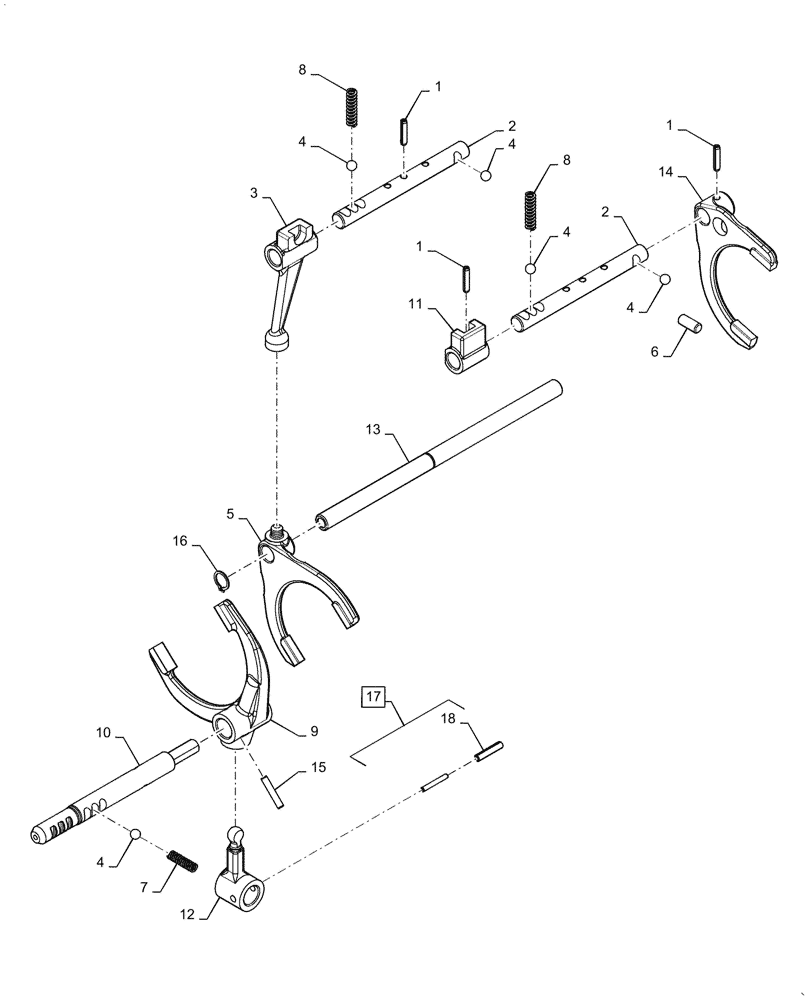
1

14166170

ROLL PIN

Slotted, Spring

3шт.

2

84490771

SHIFT RAIL

2шт.

3

87370446

ARM

Gate

1шт.

4

20063390

BALL,8.73mm OD

5шт.

5

84192937

SHIFTER FORK

1шт.

6

87388159

PIN

Safety Start Switch

1шт.

7

4994342

SPRING,8mm OD x 30mm OAL

Compression

1шт.

8

583582

SPRING

2шт.

9

87542749

YOKE

Fork, Shuttle

1шт.

10

47823949

SHAFT

Shuttle

1шт.

11

87558406

CONTAINER

Lever, Gate 3/4 Shuttle Version

1шт.

12

87676789

SHIFTER FORK

Secondary

1шт.

13

84137451

SIDE RAIL

1шт.

14

84192938

SHIFTER FORK

1шт.

15

14166370

LOCK PIN,M5 x 30, Slotted

Slotted

1шт.

16

84183117

CIRCLIP

1шт.

17

84181970

ROLL PIN

Assy, Incl 18

1шт.

18

14168370

LOCK PIN,M6 x 30, Slotted

Roll

1шт.

Выбрано товаров: 18