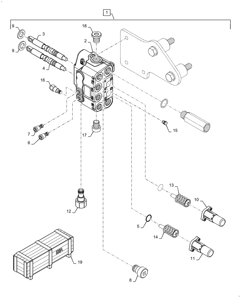
Запчасти Case IH FARMALL 60A (88.100.35[03]) - DIA KIT, MID-MOUNT CONTROL VALVE (88) - ACCESSORIES

Схема запчастей Case IH FARMALL 60A - (88.100.35[03]) - DIA KIT, MID-MOUNT CONTROL VALVE (88) - ACCESSORIES
12
4
11
19
7
16
9
5
10
14
6
17
13
18
1
2
8
3
15
9
FIT
1:1
100%

Артикул

Название

Примечание

Количество

1

47807044

VALVE

Hydraulic, Front Loader Mid Mount Valve with RV, Incl 2 - 18

1шт.

2

47812347

BODY

1шт.

3

47812348

SPOOL

1шт.

4

47812349

SPOOL

1шт.

5

47812350

RING

2шт.

6

47812351

VALVE

Kit

1шт.

7

47812352

VALVE

Kit

1шт.

8

47812354

KIT

2шт.

9

47812355

RING

2шт.

10

47812356

CAP

End

1шт.

11

47812357

CAP

End

1шт.

12

47812358

JOINT

1шт.

13

47812359

SPOOL

Control

1шт.

14

47812361

KIT

1шт.

15

47812362

PLUG

1шт.

16

47812363

VALVE

1шт.

17

47812364

PLUG

1шт.

18

47812365

PLUG

1шт.

19

731047012

DIA KIT, TRACTOR

For Mid Mount Valve with Joystick and Pipes for Loader Application

8шт.

Выбрано товаров: 19