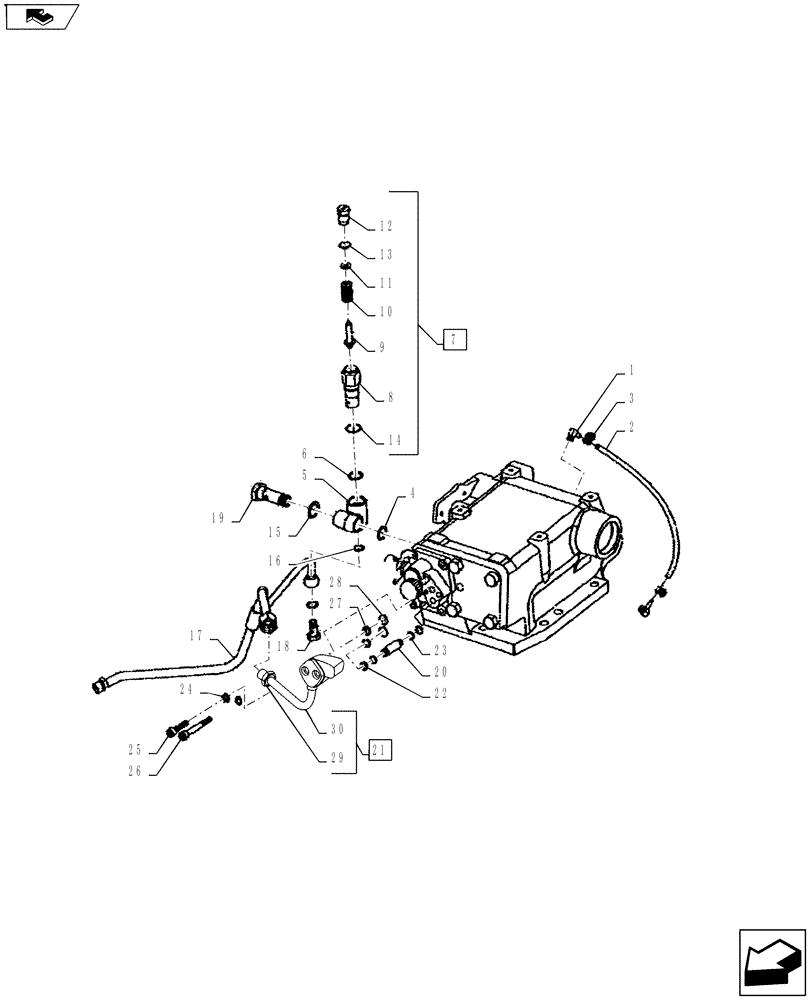
Запчасти Case IH FARMALL 65A (35.100.01[02]) - HYDRAULIC LIFT CIRCUIT - REAR (35) - HYDRAULIC SYSTEMS

Схема запчастей Case IH FARMALL 65A - (35.100.01[02]) - HYDRAULIC LIFT CIRCUIT - REAR (35) - HYDRAULIC SYSTEMS
20
30
14
9
12
3
6
16
home
21
5
22
10
11
26
24
17
2
8
27
25
18
23
13
7
4
1
29
19
15
28
FIT
1:1
100%

Артикул

Название

Примечание

Количество

1

5085049

ELBOW

Oil Drain

2шт.

2

5148303

FLEXIBLE HOSE

Vent, Lift Housing (Plastic)

1шт.

3

10186190

HOSE CLIP,8mm - 12mm

2шт.

4

10263360

SEAL,20.3mm ID x 26mm OD x 1mm Thk

1шт.

5

5120449

BODY

Pressure Relief Valve

1шт.

6

10263460

SEAL,22.3mm ID x 28mm OD x 1.5mm Thk

1шт.

7

5011763

VALVE PRESSURE RELIE

(PRV), Includes Ref. 8-14

1шт.

8

NSS

NOT SOLD SEPARAT

Seat, Pressure Regulating

1шт.

9

4999257

ROD-TIP

Pressure

1шт.

10

586761

VALVE SPRING,10.2mm ID x 20mm OD x 1.1mm Thk

Seat

24шт.

11

4951123

SPRING WASHER,10.1mm ID x 20.4mm OD x 3mm Thk

D = 10 x 20, 4 x 3

1шт.

12

4951124

SCREW

M22 x 1.5 x 32

1шт.

13

5135738

O-RING,0.103" Thk x 0.674" ID, -115, 80 Duro

1шт.

14

14456980

O-RING,10.77mm ID x 2.62mm

1шт.

15

10264560

SEAL,24mm ID x 32mm OD x 1.5mm Thk

1шт.

16

10257060

SEALING WASHER,16.3mm ID x 22mm OD x 1.5mm Thk

2шт.

17

87377456

HYD TUBE

Delivery, Rear

1шт.

18

10184411

BANJO BOLT,M16 x 1.5 x 31mm, R50

1шт.

19

5120450

BANJO BOLT

1шт.

20

5134753

HYD CONNECTOR

For Lift Housing

1шт.

21

84369166

VALVE

Valve Assy., Tap Off Includes Ref. 29-30, Serial Range: -`0

1шт.

REQUIRES SERIAL NUMBER BREAK

1шт.

21

87644790

RIGID TUBE

Valve Assy., Tap Off Includes Ref. 29

1шт.

22

14456981

O-RING,0.424" ID x 0.103" Width

2шт.

23

5134754

BACK-UP RING,11.48mm ID x 15.84mm OD x 1.14mm Thk

Seal

2шт.

24

10569479

LOCK WASHER,10.2mm ID x 16mm OD x 2.5mm Thk

2шт.

25

14307821

HEX SOC SCREW,M10 x 1.25 x 45mm, Cl 8.8

1шт.

26

87338031

SCREW,M10 x 1.25 x 85mm

Allen, M10 x 1.25 x 85

1шт.

27

14457180

O-RING,0.103" Thk x 0.549" ID, -113, Cl 5, 75 Duro

3шт.

28

44015841

BACK-UP RING,19mm ID x 20mm OD x 2.05mm Thk

Antiextrusion

3шт.

29

87385065

Pipe Fitting Weld

1шт.

30

NS

NOT SERVICED

Connector ( P/N 84367164)

1шт.

Выбрано товаров: 32