Качественные детали и логистика
Оригинальные и аналоговые запчасти с доставкой по России, Казахстану и Беларуси
©2022 PartSell ООО "Система" ИНН 2463123282 ОГРН 1212400004838
Центральный офис: г. Красноярск, Академика Киренского, д.87, пом.4
Телефон: 8 (800) 777-65-74 Email: zakaz@partsell.ru
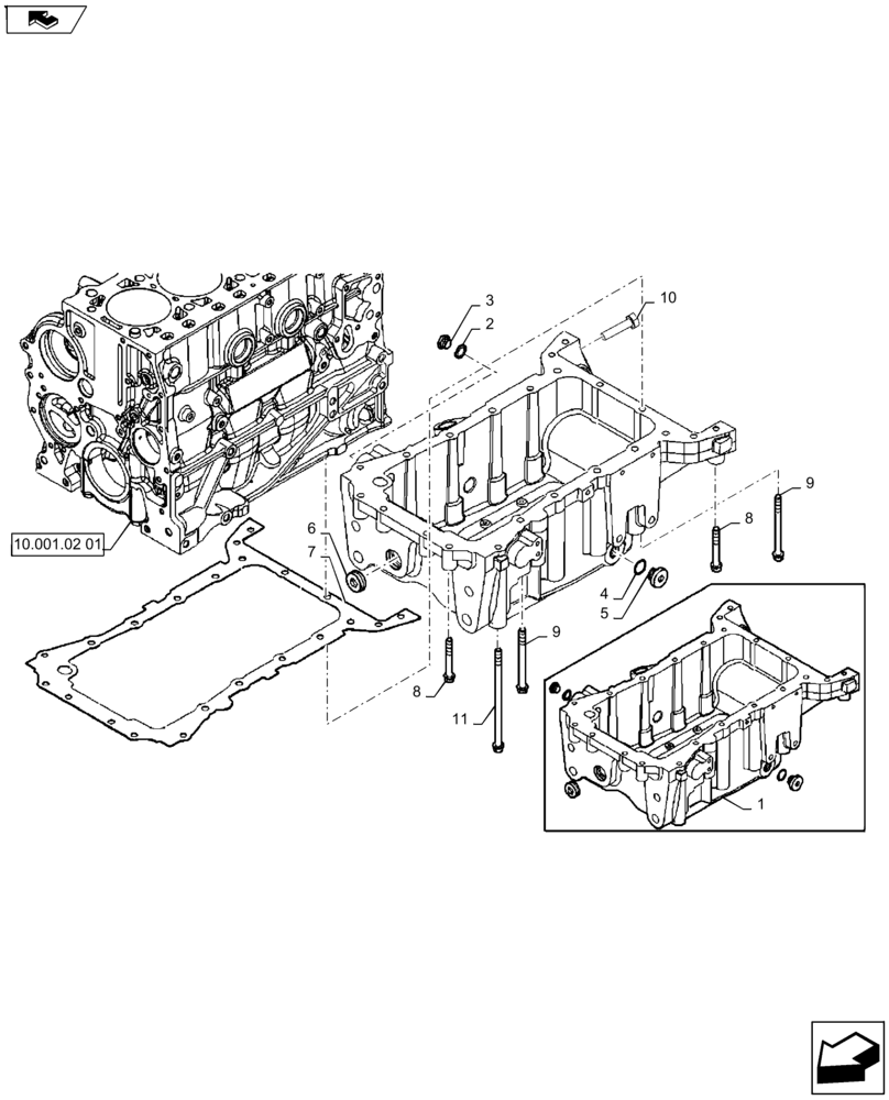
(10.102.03[01]) - OIL SUMP
№
Артикул
Название
Примечание
Количество
1
504248412
SUMP
1шт.
2
99489019
SEALING WASHER,16mm ID x 24mm OD x 1.5mm Thk
16 x 24, SP = 1.5
3
10300714
PLUG,M16 x 1.5 x 14
M16 x 1.5
4
5135740
O-RING,0.924" ID x 1.13" OD x 0.103"
2.62 x 22.47
2шт.
5
4894139
PLUG,Hex Soc, M22 x 1.5
6
16995111
PLUG,M35 x 1.5
M35 x 1.5
7
504164360
GASKET
8
16676534
BOLT,M10 x 55mm
M10 x 55
8шт.
9
16677235
BOLT,M10 x 110mm
M10 x 110
4шт.
10
16676934
SCREW,M10 x 1.5 x 80mm
M10 x 1.5 x 80
11
16599424
SCREW,M10 x 180mm
M10 x 180
Выбрано товаров: 0