Запчасти Case IH FARMALL 65A (10.218.01[01]) - INJECTORS (10) - ENGINE

Схема запчастей Case IH FARMALL 65A - (10.218.01[01]) - INJECTORS (10) - ENGINE
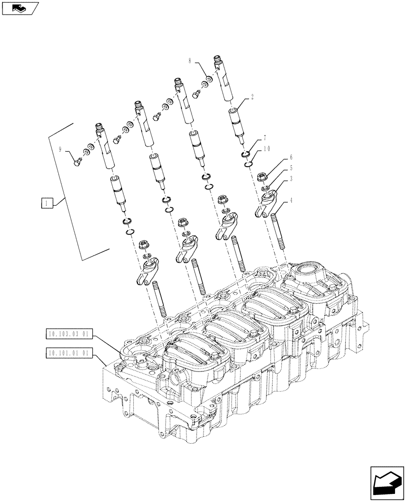
3
4
10.101.01 01
7
10
home
8
6
1
10.103.03 01
2
5
9
FIT
1:1
100%

Артикул

Название

Примечание

Количество

1

504275234

FUEL SYSTEM INJECTOR

Includes Ref. 2, 7-9

4шт.

504275234R

REMAN-INJECT NOZZLE

Farmall 65A 4 Cyl. (11/10)

4шт.

504275234C

CORE-NOZZLE, INJECT

Return Number

1шт.

2

8097589

NOZZLE

4шт.

3

504174745

BRACKET

4шт.

4

504315404

STUD,M8 x 16 x 60mm

M8 x 16 x 80

4шт.

5

500353601

WASHER

4шт.

6

17044731

FLANGE NUT,Hex, M8 x 1.25, Cl 10

4шт.

7

8094754

SEALING RING

4шт.

8

1118641

GASKET

6 x 10

8шт.

9

87800617

BOLT

M6

4шт.

10

5801392934

O-RING

up to engine #22777 - DIAM=14MM SP=1,50MM

4шт.

10

17278281

O-RING

from engine #22778 - DIAM=14MM SP=1,78MM

4шт.

Выбрано товаров: 13