Запчасти Case IH FARMALL 65A (10.254.06) - AIR HEATER ENGINE STARTING AID (10) - ENGINE

Схема запчастей Case IH FARMALL 65A - (10.254.06) - AIR HEATER ENGINE STARTING AID (10) - ENGINE
16
4
14
14
3
1
7
10.101.02
12
2
10.254.01
10
5
home
8
11
2
10.254.01
55.301.01
6
15
10.216.01
9
13
8
FIT
1:1
100%

Артикул

Название

Примечание

Количество

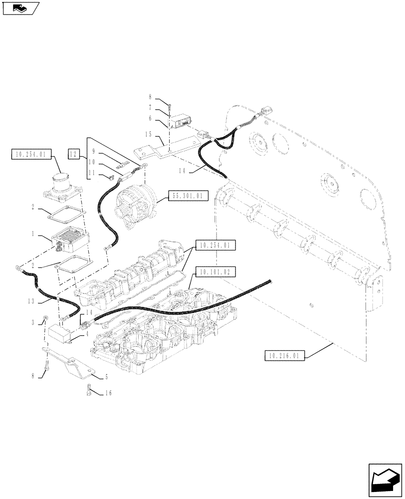
1

2831019

HEATER,24V

1шт.

2

4899921

GASKET,1.2mm Thk

2шт.

3

15896221

NUT,Hex, M6, 5.20mm High, Cl 10

2шт.

4

86619908

RELAY,12V, 150A

Cold Start

1шт.

5

87477135

BRACKET

1шт.

6

87357538

ECU

1шт.

7

10571579

LOCK WASHER,M6

2шт.

8

10902321

SCREW,Hex, M6 x 18mm, Cl 8.8, Full Thd

2шт.

9

11056290

FUSE,125A, Maxi

1шт.

10

82027575

FUSE HOLDER

1шт.

11

87323673

BRACKET

2шт.

12

87474362

ELECTRIC CABLE

Includes Ref. 9-11

1шт.

13

84133227

ELECTRIC CABLE

1шт.

14

87477023

ELECTRIC CABLE

1шт.

15

84274846

BRACKET

1шт.

16

16043321

BOLT,Hex, M8 x 1.25 x 18mm, Cl 8.8, Full Thd

2шт.

Выбрано товаров: 16