Качественные детали и логистика
Оригинальные и аналоговые запчасти с доставкой по России, Казахстану и Беларуси
©2022 PartSell ООО "Система" ИНН 2463123282 ОГРН 1212400004838
Центральный офис: г. Красноярск, Академика Киренского, д.87, пом.4
Телефон: 8 (800) 777-65-74 Email: zakaz@partsell.ru
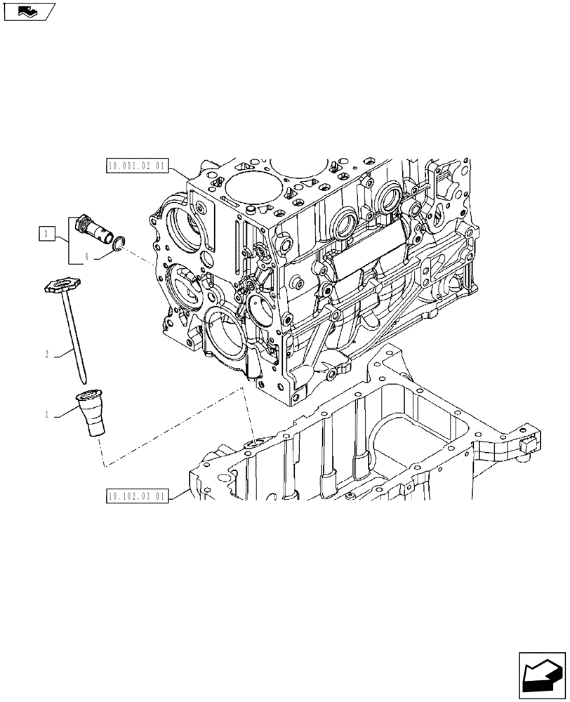
(10.304.02[01]) - ENGINE OIL DIPSTICK
№
Артикул
Название
Примечание
Количество
1
4891168
TUBE
1шт.
2
504231722
DIPSTICK
3
504357733
VALVE
Includes Ref. 4
4
87332142
SEAL,23.5mm ID x 30mm OD x 1.5mm Thk
22 x 30, SP = 1.5
Выбрано товаров: 0