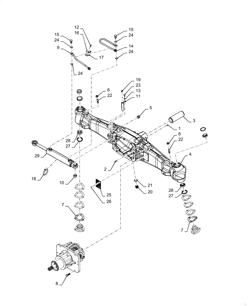
Запчасти Case IH FARMALL 65A (25.100.AD[01]) - FRONT AXLE, STEERING SUPPORT (25) - FRONT AXLE SYSTEM

Схема запчастей Case IH FARMALL 65A - (25.100.AD[01]) - FRONT AXLE, STEERING SUPPORT (25) - FRONT AXLE SYSTEM
6
12
23
28
19
28
24
13
24
3
9
15
8
20
7
15
2
4
16
11
18
7
22
27
6
14
5
24
21
18
17
25
27
24
10
26
22
1
29
FIT
1:1
100%

Артикул

Название

Примечание

Количество

1

4966244

PIN,5mm OD x 15mm L

Straight

1шт.

2

4988170

PIN,10mm OD x 20mm L

Dowel

2шт.

3

5140017

PIN,52.65mm OD x 153.00mm

1шт.

4

87736210

HOUSING

Axle

1шт.

5

14324411

MAGNETIC PLUG,M22 x 1.50, Cl 5.8, ZND

1шт.

6

16101511

NUT,M12 x 1.25, Cl 8

2шт.

7

84284234

SHIM

1шт.

7

84284233

SHIM

1шт.

7

5100793

SHIM,.30mm Thk

1шт.

7

5100792

SHIM,.25mm Thk

1шт.

7

5100791

SHIM,.20mm Thk

1шт.

7

5100790

SHIM,53mm ID x 75mm OD x 0.15mm Thk

1шт.

7

5100789

SHIM,53mm ID x 86mm OD x 0.1mm Thk

1шт.

8

14274631

LOCK BOLT,Hex, M12 x 1.25 x 35mm, Cl 10.9

8шт.

9

87736976

RIGID TUBE

Pipe

1шт.

10

5142223

SPACER,20.5mm ID x 28mm OD x 16mm L

1шт.

11

5165265

PIN,19.99mm OD x 100mm L

Pivot, Cylinder Assembly

1шт.

12

10902221

BOLT,Hex, M6 x 16mm, CL 8.8

1шт.

13

10516679

LOCK WASHER,Helical Spring, 8.20mm ID x 14.80mm OD x 2.20mm, C72, ZNM

1шт.

14

87736963

RIGID TUBE

Pipe

1шт.

15

10184311

BANJO BOLT,M14 x 1.5 x 27mm

2шт.

16

4999554

CLAMP,2 Hoses

Clip, Cylinder Pipes

1шт.

17

5138294

SUPPORT

For Clip

1шт.

18

13000890

HOSE CLAMP,50mm - 70mm, Worm Gear

1шт.

19

13406811

LUBE NIPPLE,45 Degree, 1/4" NPT x .81" lg

Fitting

1шт.

20

84422229

PLUG,M22 x 1.5

Magnetic

1шт.

21

10263460

SEAL,22.3mm ID x 28mm OD x 1.5mm Thk

1шт.

22

87316865

SET SCREW,M12 x 1.25 x 53mm

2шт.

23

16043421

BOLT,Hex, M8 x 1.25 x 20mm, Cl 8.8, Full Thd

1шт.

24

87391188

SEAL,14mm ID x 22mm OD x 1.5mm Thk

4шт.

25

87489988

NAMEPLATE

Front Axle

1шт.

26

13683801

RIVET,Flat, 2.9mm OD x 5.35mm L

4шт.

27

5122548

SEAL,50mm ID x 62mm OD x 7mm Thk

Singl Lip

4шт.

28

24903780

TAPERED BEARING,30mm ID x 55mm OD x 17mm W

Roller

4шт.

29

84249612

STEERING CYLINDER

Assembly

1шт.

Выбрано товаров: 35