Запчасти Case IH FARMALL 65C (1.21.0[03]) - TRACTOR BODY (03) - TRANSMISSION

Схема запчастей Case IH FARMALL 65C - (1.21.0[03]) - TRACTOR BODY (03) - TRANSMISSION
home
pag. 1
8
14
1
2
6
3
4
9
5
12
7
11
10
13
FIT
1:1
100%

Артикул

Название

Примечание

Количество

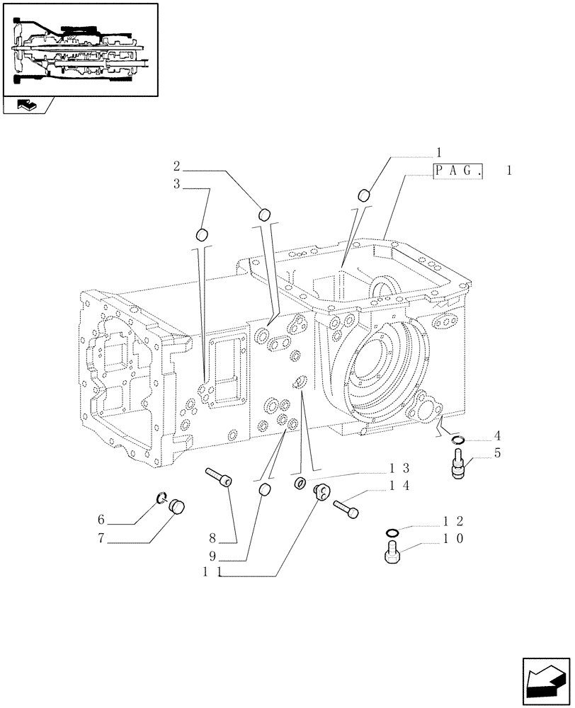
1

14329101

PLUG,M30, Tapered

1шт.

2

14328701

PLUG,M20, Tapered

2шт.

3

14328601

PLUG,M18, Tapered

2шт.

4

10263460

SEAL,22.3mm ID x 28mm OD x 1.5mm Thk

3шт.

5

5118991

PLUG,M22 x 1.5

M22 x 1.5

2шт.

6

10259960

SEAL,Rectangular, 18.30mm ID x 24.00mm OD x 1.50mm, Copper

1шт.

7

10300811

PLUG,M18 x 1.5 x 14, Cl5.8

1шт.

8

5194489

SCREW,M8 x 8mm, Cl 8.8

M8 x 8

5шт.

9

14328201

PLUG,M10, Tapered

2WD

1шт.

10

10119414

PLUG,M18 x 1.5 x 16

1шт.

11

5171837

PLUG,17.3mm ID x 42mm OD x 7.5mm Thk

1шт.

12

14437985

O-RING,15.3mm ID x 2.4mm

1шт.

13

14453280

O-RING,0.07" Thk x 0.551" ID, -15, Cl 5, 75 Duro

1шт.

14

10977514

BOLT,Hex, M5 x 10mm, Cl 5.8, Full Thd

2шт.

Выбрано товаров: 14