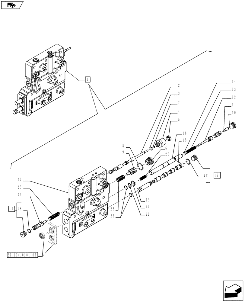
Запчасти Case IH FARMALL 65C (21.134.0201[02]) - POWER SHUTTLE VALVE - BREAKDOWN (VAR.334068-332069 / 743557) (21) - TRANSMISSION

Схема запчастей Case IH FARMALL 65C - (21.134.0201[02]) - POWER SHUTTLE VALVE - BREAKDOWN (VAR.334068-332069 / 743557) (21) - TRANSMISSION
2
5
8
26
18
7
20
6
10
25
21
16
17
18
1
3
14
23
24
15
12
19
22
4
11
9
home
21.134.0201 03
13
17
27
FIT
1:1
100%

Артикул

Название

Примечание

Количество

1

84413244

ASSY, Contains Ref. 2-27

1шт.

See Breakdown in Group 21.134.0201 03

1шт.

2

84351802

ROD

PTO Brake

1шт.

3

14453182

O-RING,0.07" Thk x 0.489" ID, -14, Cl 9, 70 Duro

1шт.

4

84355420

PLUG

1шт.

5

84273379

SEAL

1шт.

6

84412053

PLUG

1шт.

7

14452881

O-RING,7.65mm ID x 1.78" Width

1шт.

8

167266

O-RING,0.116" Thk x 0.924" ID, -912, Cl 6, 90 Duro

1шт.

9

84289759

PISTON

1шт.

10

86625138

PLUG,7/18" - 14

1шт.

11

84411956

PIN,10.98mm OD x 37mm L

1шт.

12

84413934

ROD

1шт.

13

84412795

SPRING

1шт.

14

84289763

CIRCLIP,12.25mm

1шт.

15

84289761

PIN,3.1mm x 11.5mm

1шт.

16

84412095

ROD

Inching

1шт.

17

86590562

PLUG,Hex Soc, 3/4" - 16 ORB

ASSY, Contains Ref. 18

2шт.

18

128825

O-RING,0.087" Thk x 0.644" ID, -908, Cl 6, 90 Duro

2шт.

19

84380464

ROD

Forward/Reverse

1шт.

20

5120761

SPRING,7.7mm OD x 20.5mm L

1шт.

21

84275592

RING,16.25mm ID x 22mm OD x 1.5mm Thk

1шт.

22

300625

SNAP RING,M16, Ext

1шт.

23

13397776

SNAP RING,M16, Int

2шт.

24

84289760

SPOOL

1шт.

25

84289764

SPRING,20.22mm OD

1шт.

26

84414724

SPRING,13.18mm

1шт.

27

NSS

NOT SOLD SEPARAT

1шт.

Выбрано товаров: 0