Запчасти Case IH FARMALL 65C (35.120.01[07]) - IMPLEMENT CARRIER - OIL BREATHER AND BRACKET (35) - HYDRAULIC SYSTEMS

Схема запчастей Case IH FARMALL 65C - (35.120.01[07]) - IMPLEMENT CARRIER - OIL BREATHER AND BRACKET (35) - HYDRAULIC SYSTEMS
8
5
1
1
3
1
2
6
1
4
21.118.01
home
1
35.110.04
1
1
10
1
1
9
7
FIT
1:1
100%

Артикул

Название

Примечание

Количество

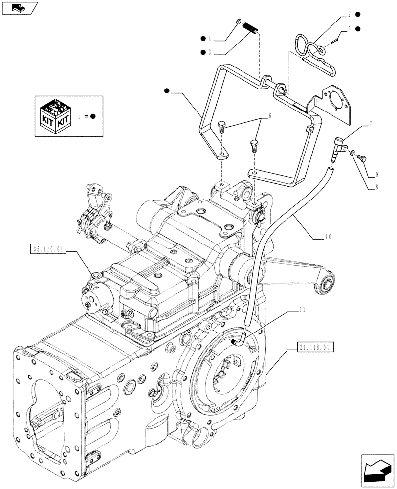
1

84404356

BRACKET

ASSY, Contains Ref. 2-5

1шт.

2

5198556

SPRING HOOK

1шт.

3

5114402

SPRING,Compression, 11mm OD x 35.5mm L

1шт.

4

86588450

WASHER,6.6mm ID x 12mm OD x 1.6mm Thk

1шт.

5

47124703

COTTER PIN

D=2.5 x 12

1шт.

6

15970731

BOLT,Hex, M10 x 1.25 x 25mm, Cl 10.9, Full Thd

2шт.

7

5153270

BREATHER

1шт.

8

10260860

SEALING WASHER,M8.2 x 14 x 1.5, Copper

1шт.

9

16043324

BOLT,Hex, M8 x 1.25 x 18mm, Cl 8.8, Full Thd

1шт.

10

84303381

1шт.

11

5139656

FITTING

1шт.

Выбрано товаров: 11