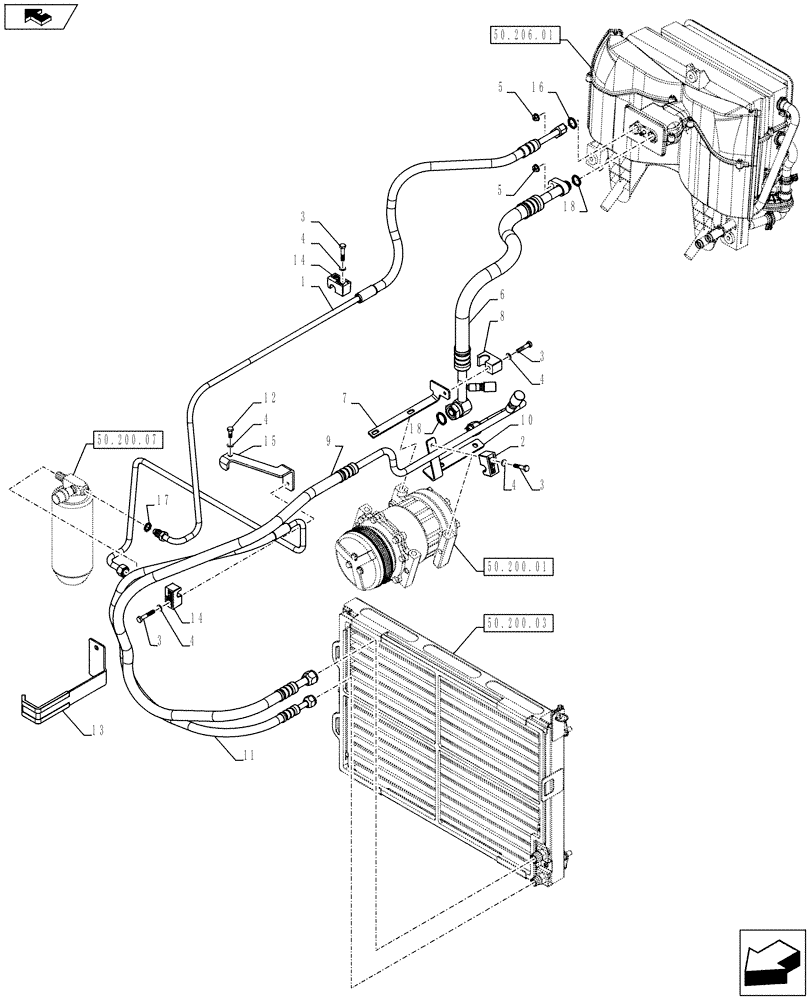
Запчасти Case IH FARMALL 65C (50.200.02) - AIR CONDITIONING - PIPES AND RELATED PARTS - W/CAB (VAR.330641) (50) - CAB CLIMATE CONTROL

Схема запчастей Case IH FARMALL 65C - (50.200.02) - AIR CONDITIONING - PIPES AND RELATED PARTS - W/CAB (VAR.330641) (50) - CAB CLIMATE CONTROL
1
home
4
14
11
6
5
4
50.200.07
5
4
16
50.200.03
14
9
1
hom
12
3
7
13
50.206.01
3
e
17
8
10
2
3
1
18
18
50.200.01
15
4
3
4
FIT
1:1
100%

Артикул

Название

Примечание

Количество

1

84276197

A/C HOSE

1шт.

2

87532290

BRACKET

1шт.

3

10902831

SCREW,Hex, M6 x 30mm, Cl 10.9

5шт.

4

12601279

WAVE WASHER,6.40mm ID x 12mm OD x 0.50mm, 2.60mm H, STL, ZND

5шт.

5

14059211

FLANGE NUT,M6 x 1, Flg, Cl 8

2шт.

6

84276199

A/C HOSE

1шт.

7

84276237

BRACKET

1шт.

8

87326640

CLAMP,16mm ID

1шт.

9

84276200

A/C HOSE

1шт.

10

84276201

BRACKET

1шт.

11

84389776

A/C HOSE

1шт.

12

86508568

BOLT,Hex, M6 x 1 x 16mm, Cl 8.8

1шт.

13

84326541

BRACKET

1шт.

14

84368933

BRACKET

2шт.

15

84390334

BRACKET

1шт.

16

14450483

O-RING,1.8mm Thk x 6.7mm ID

1шт.

17

10318883

O-RING,8.1mm ID x 1.6mm Width

1шт.

18

9827059

O-RING,1.78mm Thk x 14mm ID, 70 Duro

2шт.

Выбрано товаров: 18