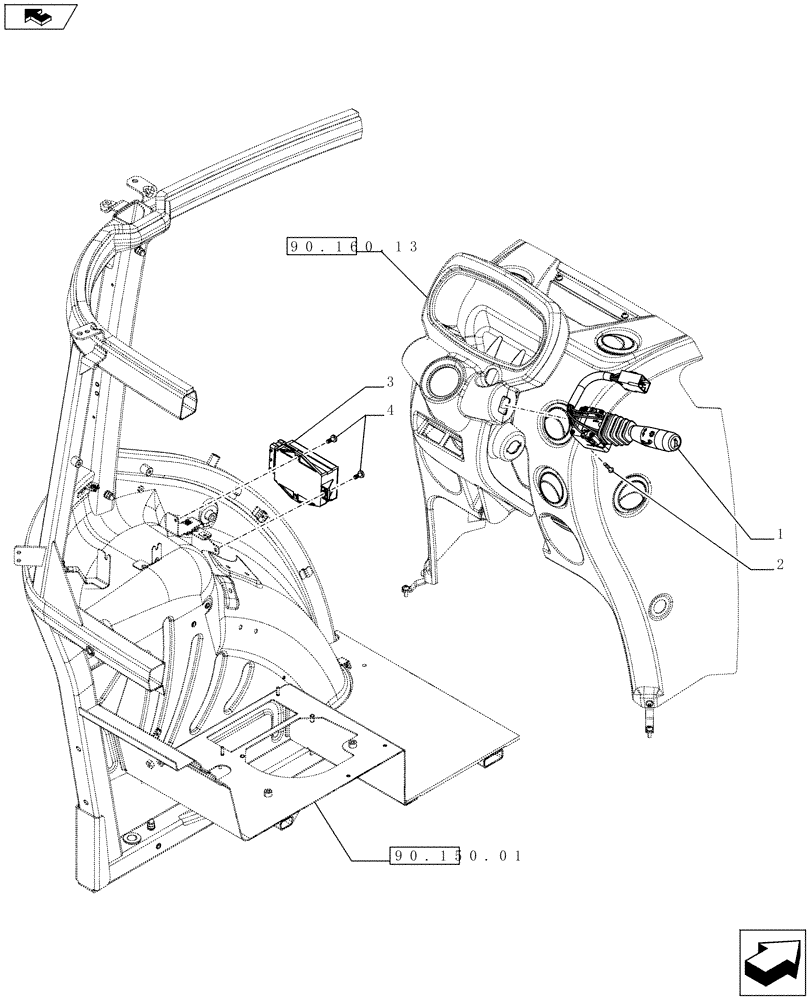
Запчасти Case IH FARMALL 65C (55.404.06) - HEADLIGHT CONTROL LEVER - W/CAB (55) - ELECTRICAL SYSTEMS

Схема запчастей Case IH FARMALL 65C - (55.404.06) - HEADLIGHT CONTROL LEVER - W/CAB (55) - ELECTRICAL SYSTEMS
2
4
90.160.13
90.150.01
3
home
1
FIT
1:1
100%

Артикул

Название

Примечание

Количество

1

84277542

LIGHT SWITCH

With Horn Function

1шт.

1

84486526

LIGHT SWITCH

W/O Horn Function

1шт.

2

15902801

SELF-TAP SCREW,Cross Pan Hd, M3.5 x 22mm

3шт.

3

82038684

FLASHER UNIT

1шт.

NAR Market, 75C Model Only

1шт.

4

13274024

SCREW,Pozidriv Pan Hd, M5 x 12mm, Cl 8.8, Full Thd

2шт.

NAR Market, 75C Model Only

1шт.

Выбрано товаров: 7