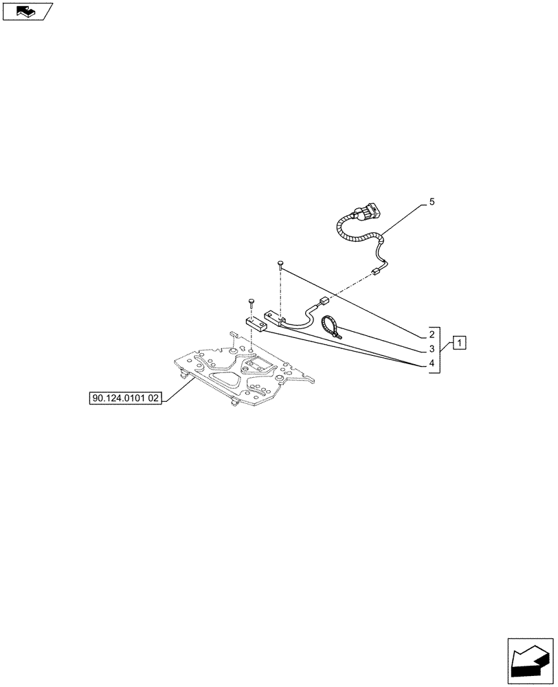
Запчасти Case IH FARMALL 65C (55.408.05) - DRIVER SEAT, SWITCH (VAR.332850) (55) - ELECTRICAL SYSTEMS

Схема запчастей Case IH FARMALL 65C - (55.408.05) - DRIVER SEAT, SWITCH (VAR.332850) (55) - ELECTRICAL SYSTEMS
90.124.0101 02
3
home
4
5
2
1
FIT
1:1
100%

Артикул

Название

Примечание

Количество

1

NSS

NOT SOLD SEPARAT

Seat Operator Presence, ASSY, Incl 2 - 4, Incl in P.N. 84347495 shown in figure 90.124.0101 (01)

1шт.

2

47124506

POP RIVET

4шт.

3

87567529

CABLE TIE,200mm L

2шт.

4

84487915

SWITCH

1шт.

Выбрано товаров: 4