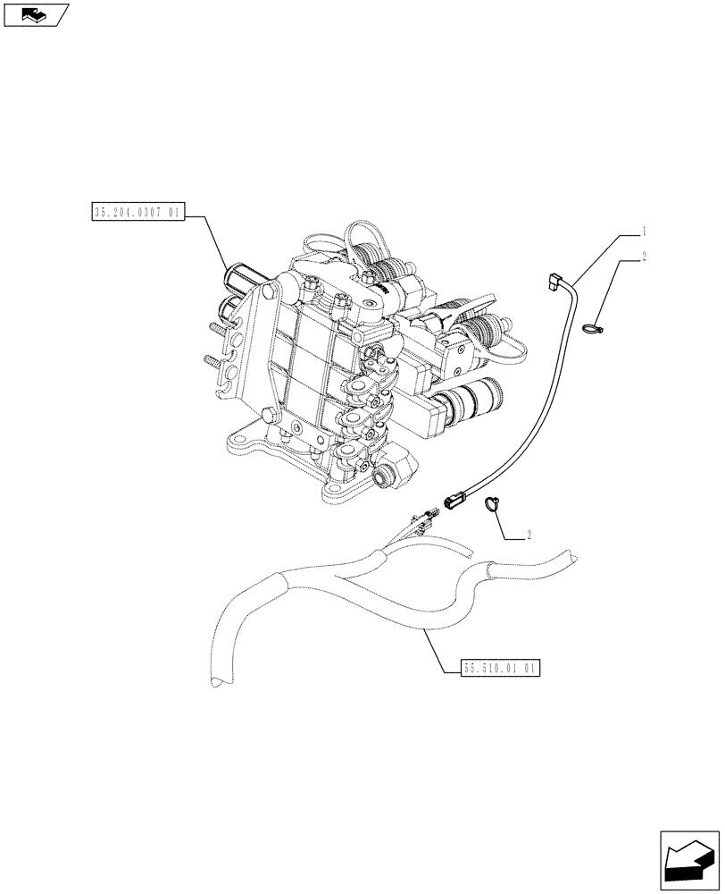
Запчасти Case IH FARMALL 65C (55.510.02) - 3 REAR REMOTE VALVES WITH DIVERTER - DIVERTER HARNESS - ISO (VAR.335195-336195 / 743571; VAR.337108-339108 / 743570) (55) - ELECTRICAL SYSTEMS

Схема запчастей Case IH FARMALL 65C - (55.510.02) - 3 REAR REMOTE VALVES WITH DIVERTER - DIVERTER HARNESS - ISO (VAR.335195-336195 / 743571; VAR.337108-339108 / 743570) (55) - ELECTRICAL SYSTEMS
2
1
home
55.510.01 01
35.204.0307 01
2
FIT
1:1
100%

Артикул

Название

Примечание

Количество

1

84254037

ELECTRIC CABLE

Rear Diverter

1шт.

2

14560087

CABLE TIE,103mm, Black

CABLE STRAP

1шт.

Выбрано товаров: 2