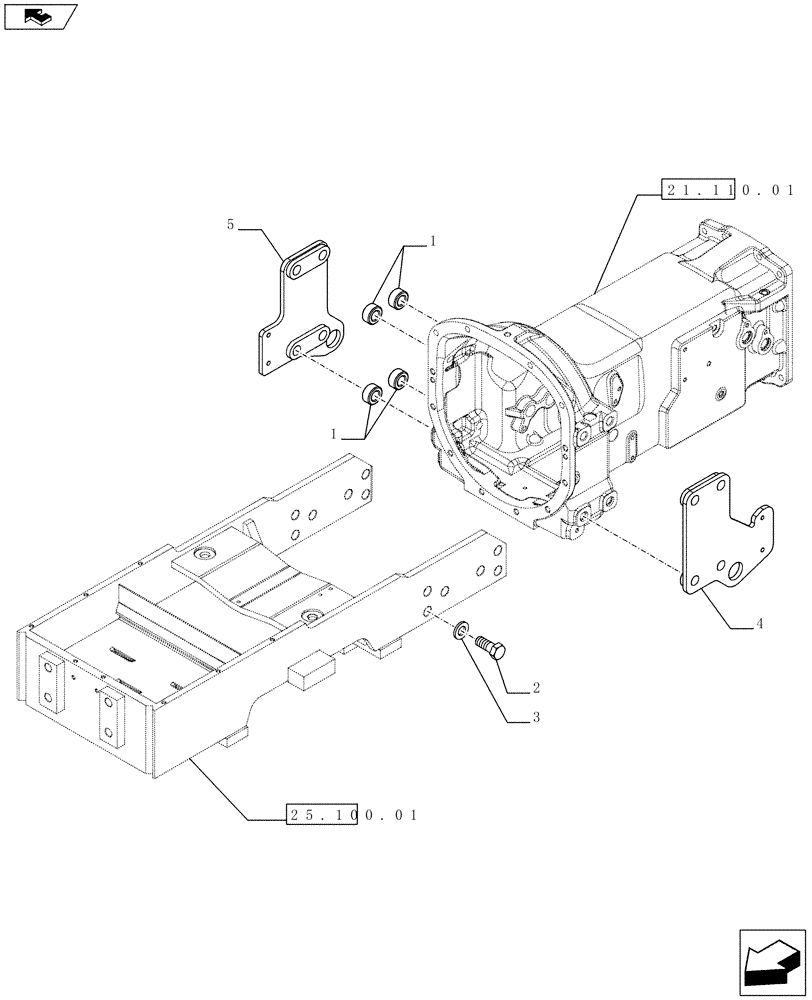
Запчасти Case IH FARMALL 65C (82.100.03) - LOADER READY - REAR BRACKETS - W/CAB (82) - FRONT LOADER & BUCKET

Схема запчастей Case IH FARMALL 65C - (82.100.03) - LOADER READY - REAR BRACKETS - W/CAB (82) - FRONT LOADER & BUCKET
2
4
5
3
1
1
home
21.110.01
25.100.01
FIT
1:1
100%

Артикул

Название

Примечание

Количество

1

84240834

SPACER

4шт.

2

15988237

BOLT,Hex, M20 x 1.5 x 55, 10.9, Full Thd

6шт.

3

11191879

BELLEVILLE WASHER,Belleville, 20mm ID x 38mm OD x 5.2mm Thk

6шт.

4

84308660

BRACKET

1шт.

5

84319873

BRACKET

1шт.

Loader Ready for 2 Mid Mount Valves, VAR.331490 (Commercial Feature 743593)

1шт.

Выбрано товаров: 6