Запчасти Case IH FARMALL 65C (10.106.02) - ROCKSHAFT, ROCKER ARM (10) - ENGINE

Схема запчастей Case IH FARMALL 65C - (10.106.02) - ROCKSHAFT, ROCKER ARM (10) - ENGINE
home
2
3
4
3
8
5
7
1
9
8
10.101.02
6
FIT
1:1
100%

Артикул

Название

Примечание

Количество

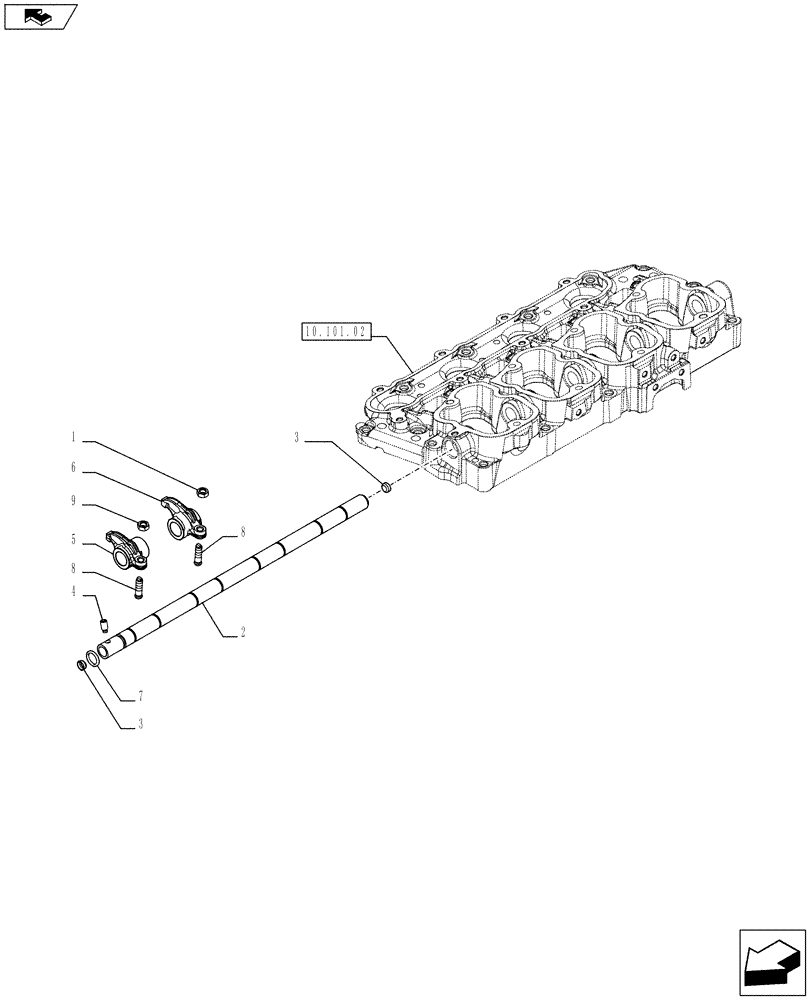
1

4338920

NUT

8шт.

2

504250345

SHAFT

1шт.

3

14328301

PLUG,M12, Tapered

2шт.

4

99454296

SCREW

1шт.

5

5801572084

ROCKER ARM

4шт.

6

504221914

ROCKER ARM

4шт.

7

14457181

O-RING,0.103" Thk x 0.549" ID, -113, Cl 5, 75 Duro

D = 13.9 mm Thk = 2.6 mm

1шт.

8

4699783

ADJUSTMENT SCREW

8шт.

Выбрано товаров: 8