Запчасти Case IH FARMALL 65C (90.110.02) - CROSS-PIECE AND RELEVANT PARTS (90) - PLATFORM, CAB, BODYWORK AND DECALS

Схема запчастей Case IH FARMALL 65C - (90.110.02) - CROSS-PIECE AND RELEVANT PARTS (90) - PLATFORM, CAB, BODYWORK AND DECALS
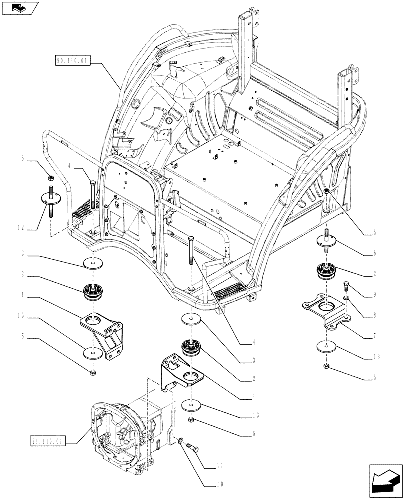
1
1
5
13
5
2
2
5
2
4
13
90.110.01
home
21.110.01
10
11
5
5
12
13
7
3
4
6
8
9
3
FIT
1:1
100%

Артикул

Название

Примечание

Количество

1

84357064

SUPPORT

2шт.

2

83983548

ISOLATOR,120mm OD x 64mm L

4шт.

3

84421169

SPACER,21mm ID x 120mm OD x 14.7mm L

2шт.

4

15990931

BOLT,Hex, M20 x 1.5 x 190, 10.9

2шт.

In Alternative to p.n. 84393678 + 12164321

1шт.

5

86015195

NUT,M20 x 1.5, Cl 10

8шт.

6

84355204

SPACER

L=180MM

2шт.

7

84261756

SUPPORT

2шт.

8

11191679

BELLEVILLE WASHER,M18 Bolt Size x 36mm OD x 4.2mm Thk

8шт.

9

15984334

BOLT,Hex, M18 x 1.5 x 50mm, Cl 10.9, Full Thd

8шт.

10

10520431

WASHER,21mm ID x 35mm OD x 4mm Thk

8шт.

11

15224034

BOLT,Hex, M20 x 65mm, Cl 10.9, Full Thd

4шт.

11

11125131

BOLT,Hex, M20 x 70, 10.9

4шт.

12

84393678

SPACER

L=210MM

2шт.

In Alternative to p.n. 15990931 + 84421169

1шт.

13

87302042

SPACER,21mm ID x 120mm OD x 8.7mm L

4шт.

Выбрано товаров: 16