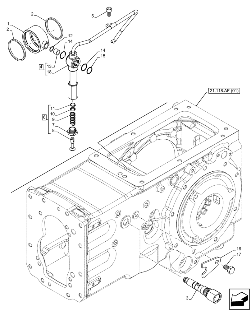
Запчасти Case IH FARMALL 65C (21.100.AM[03]) - VAR - 330328, 330581, 390328, 743559 - TRANSMISSION LUBRICATION LINE, MANIFOLD, W/O CAB (SHUTTLE) (21) - TRANSMISSION

Схема запчастей Case IH FARMALL 65C - (21.100.AM[03]) - VAR - 330328, 330581, 390328, 743559 - TRANSMISSION LUBRICATION LINE, MANIFOLD, W/O CAB (SHUTTLE) (21) - TRANSMISSION
8
13
4
6
14
11
14
15
16
2
17
12
10
21.118.af (01)
5
7
3
2
9
18
1
FIT
1:1
100%

Артикул

Название

Примечание

Количество

1

84252063

MANIFOLD

Oil

1шт.

2

84245728

GASKET

62 x 57 x 4

2шт.

3

84245688

BANJO BOLT

1шт.

4

84245694

PIPE

ASSY, Incl 13, 18

1шт.

5

14306221

HEX SOC SCREW,M8 x 16mm, Cl 8.8, Full Thd

1шт.

6

5180935

VALVE

Pressure Control, ASSY, Incl 7 - 11

1шт.

7

5165488

HYD CONNECTOR,M18 x 1.5, 9 mm L

M18 x 1.5mm

1шт.

8

5165484

VALVE

1шт.

9

5180927

SPRING,13.1mm x 38mm

1шт.

10

5165438

SHIM,9.1mm ID x 13.5mm OD x 2.5mm Thk

9mm ID x 13.5mm OD x 2.5mm Thk

1шт.

11

5165486

CIRCLIP,9mm

8.4mm ID

1шт.

12

14453080

O-RING,0.426" ID x 0.07"

1шт.

13

84360848

SPACER,16.2mm ID x 20mm OD x 19mm L

16.2mm ID x 20mm OD x 19mm Thk

1шт.

14

5135738

O-RING,0.103" Thk x 0.674" ID, -115, 80 Duro

2шт.

15

14457280

O-RING,0.103" Thk x 0.612" ID, -114, Cl 5, 75 Duro

1шт.

16

84245693

LOCKING PLATE

1шт.

17

15970521

BOLT,Hex, M10 x 1.25 x 20mm, Cl 8.8, Full Thd

1шт.

18

NSS

NOT SOLD SEPARAT

Pipe, Incl in 4

1шт.

Выбрано товаров: 18