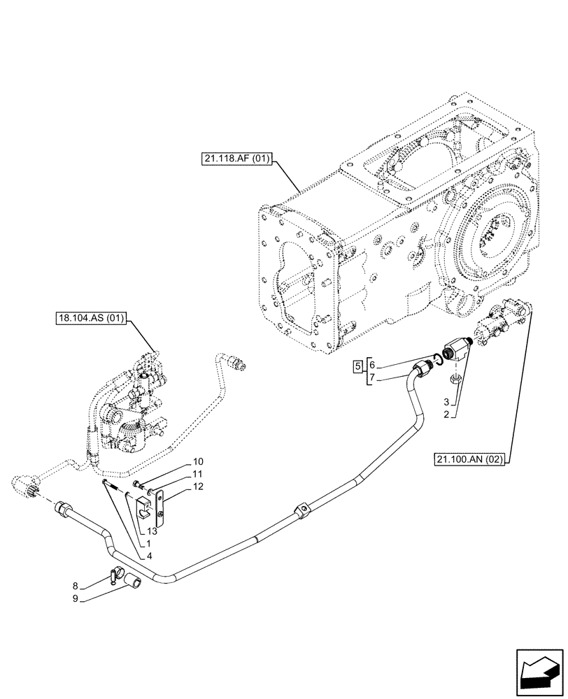
Запчасти Case IH FARMALL 65C (21.100.AQ[02]) - VAR - 330069 - TRANSMISSION LUBRICATION LINES, W/O CAB (SHUTTLE) (21) - TRANSMISSION

Схема запчастей Case IH FARMALL 65C - (21.100.AQ[02]) - VAR - 330069 - TRANSMISSION LUBRICATION LINES, W/O CAB (SHUTTLE) (21) - TRANSMISSION
6
3
11
4
13
7
9
21.118.af (01)
10
5
18.104.as (01)
12
1
21.100.an (02)
8
2
FIT
1:1
100%

Артикул

Название

Примечание

Количество

1

10297860

SEAL,6mm ID x 12mm OD x 1.5mm Thk

1шт.

2

84308737

FITTING

1 - 14,11 / 16 - 16, M18 x 1.5

1шт.

3

9625546

CAP,11/16" - 16 ORFS

1шт.

4

43118

BOLT,Hex, M6 x 1.0 x 40mm, Cl 8.8

1шт.

5

47528332

PIPE

ASSY, Lubrication, Incl 6, 7

1шт.

6

5185512

O-RING,0.07" Thk x 0.614" ID, -16, Cl 6, 90 Duro

1шт.

7

NSS

NOT SOLD SEPARAT

Pipe, Incl in 5

1шт.

8

82039345

HOSE CLAMP,25mm - 40mm, Worm Gear

25 x 40mm

1шт.

9

4959735

SPACER,18mm ID x 25mm OD x 30mm L

18mm ID x 25mm OD x 30mm Thk

1шт.

10

86625001

BOLT,Hex, M8 x 22mm, Cl 8.8, Full Thd

1шт.

11

11193874

BELLEVILLE WASHER,M8 Bolt Size x 16mm OD x 1.4mm Thk

1шт.

12

84409985

BRACKET

1шт.

13

84309587

BRACKET

1шт.

Выбрано товаров: 13