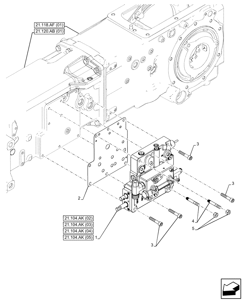
Запчасти Case IH FARMALL 65C (21.104.AK[01]) - VAR - 332069, 334068 - TRANSMISSION, VALVE (POWER SHUTTLE) (21) - TRANSMISSION

Схема запчастей Case IH FARMALL 65C - (21.104.AK[01]) - VAR - 332069, 334068 - TRANSMISSION, VALVE (POWER SHUTTLE) (21) - TRANSMISSION
21.104.ak (02)
5
21.104.ak (03)
4
3
1
2
21.104.ak (05)
3
3
21.104.ak (04)
21.120.ab (01)
21.118.af (01)
FIT
1:1
100%

Артикул

Название

Примечание

Количество

1

47412408

VALVE, PRESSURE CONT

Power Shuttle, ASSY

1шт.

1

47412408R

REMAN-HYD VALVE

Power Shuttle, ASSY

1шт.

1

47412408C

CORE-VALVE HYD

Core Return Number

1шт.

2

84577713

GASKET

1шт.

3

14308031

SCREW,Hex, M10 x 1.25 x 55mm

M10 x 1.25 x 55 10.9 ZND

6шт.

4

13450234

M10 x 1.25 x 55 10.9 PLN

2шт.

5

10790121

NUT,Hex, M10 x 1.25

M10 x 1.25 CL10 ZND

2шт.

Выбрано товаров: 7