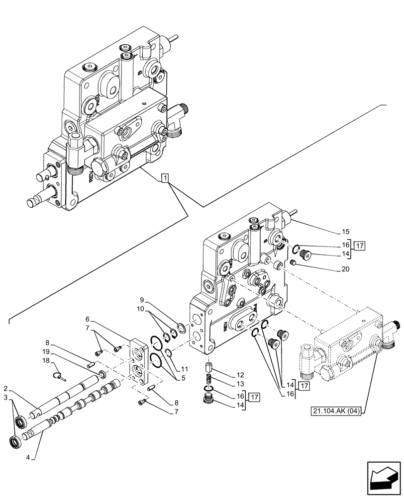
Запчасти Case IH FARMALL 65C (21.104.AK[02]) - VAR - 332069, 334068 - TRANSMISSION VALVE, COMPONENTS (POWER SHUTTLE) (21) - TRANSMISSION

Схема запчастей Case IH FARMALL 65C - (21.104.AK[02]) - VAR - 332069, 334068 - TRANSMISSION VALVE, COMPONENTS (POWER SHUTTLE) (21) - TRANSMISSION
7
10
13
9
18
17
14
2
8
5
12
17
20
19
14
15
3
17
16
21.104.ak (04)
6
1
4
7
16
11
16
14
8
FIT
1:1
100%

Артикул

Название

Примечание

Количество

1

47412408

VALVE, PRESSURE CONT

Power Shuttle, ASSY, Incl 2 - 20

1шт.

See Control Valve Components also in Figure 21.104.AK (03), (04), (05)

1шт.

1

47412408R

REMAN-HYD VALVE

Power Shuttle, ASSY, Incl 2 - 20

1шт.

1

See Control Valve Components also in Figure 21.104.AK (03), (04), (05)

1шт.

1

47412408C

CORE-VALVE HYD

Core Return Number

1шт.

2

47405331

ROD

1шт.

3

84273378

SEAL,16mm ID x 26mm OD x 7mm Thk

16mm ID x 26mm OD x 7mm Thk

2шт.

4

47408519

ROD,14mm x 266mm

1шт.

5

9626940

O-RING,0.07" Thk x 1.114" ID, -24, Cl 6, 90 Duro

2шт.

6

47396563

COVER

1шт.

7

14304021

HEX SOC SCREW,M5 x 10mm, Cl 8.8

3шт.

8

10336010

PIN,6mm OD x 16mm L

6mm x 16mm

2шт.

9

84275592

RING,16.25mm ID x 22mm OD x 1.5mm Thk

16.25mm ID x 22mm OD x 1.5mm Thk

1шт.

10

300625

SNAP RING,M16, Ext

2шт.

11

13397776

SNAP RING,M16, Int

1шт.

12

84594366

DETENT,9.5mm ID x 19.5mm L

1шт.

13

84408628

SPRING,8.5mm OD x 22.5mm L

1шт.

14

NSS

NOT SOLD SEPARAT

Plug, Incl in 17

1шт.

15

NSS

NOT SOLD SEPARAT

Valve, Incl in 1

1шт.

16

86598099

O-RING,2.2mm Thk x 11.3mm ID, Cl 6

1шт.

17

86598044

PLUG,Hex, M14 x 1.5 ORB

ASSY, Incl 14, 16

4шт.

18

84289761

PIN,3.1mm x 11.5mm

3.1mm x 11.4mm

1шт.

19

84289763

CIRCLIP,12.25mm

12.15mm ID x 0.36mm Thk

1шт.

20

47400499

BLEEDER,M10 x 1.25, 10mm L

1шт.

Выбрано товаров: 24