Запчасти Case IH FARMALL 65C (21.104.AK[04]) - VAR - 332069, 334068 - TRANSMISSION, VALVE, PRESSURE CONTROL VALVE, MOUNTING PARTS (POWER SHUTTLE) (21) - TRANSMISSION

Схема запчастей Case IH FARMALL 65C - (21.104.AK[04]) - VAR - 332069, 334068 - TRANSMISSION, VALVE, PRESSURE CONTROL VALVE, MOUNTING PARTS (POWER SHUTTLE) (21) - TRANSMISSION
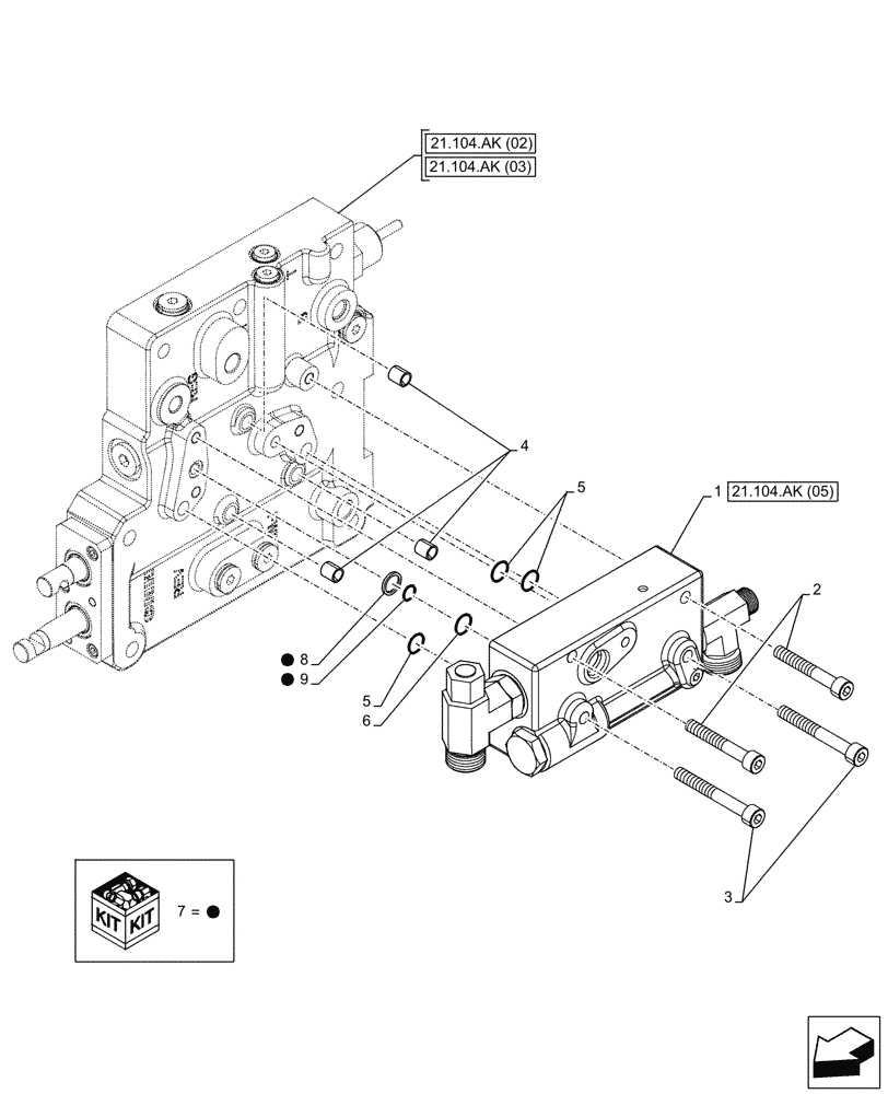
21.104.ak (05)
3
9
5
1
2
7
7
4
7
8
5
6
21.104.ak (02)
21.104.ak (03)
FIT
1:1
100%

Артикул

Название

Примечание

Количество

1

84332906

VALVE, PRESSURE CONT

ASSY

1шт.

See Control Valve Components also in Figure 21.104.AK (02), (03), (05)

1шт.

2

14302221

HEX SOC SCREW,M8 x 55mm, Cl 8.8

2шт.

3

2900720

HEX SOC SCREW,M8 x 65mm, Cl 10.9

2шт.

4

14536590

PLUG,10.00mm Dia x 19.80mm L

3шт.

5

14456980

O-RING,10.77mm ID x 2.62mm

3шт.

6

14457381

O-RING,17.12mm ID x 2.62" Width

1шт.

7

47961450

SERVICE KIT

ASSY, Incl 8 - 9

1шт.

8

47959431

SEAL,19.2mm ID x 21.7mm OD x 1.9mm Thk

1шт.

9

14457186

O-RING,0.103" Thk x 0.549" ID, -113, Cl 5, 75 Duro

1шт.

Выбрано товаров: 10