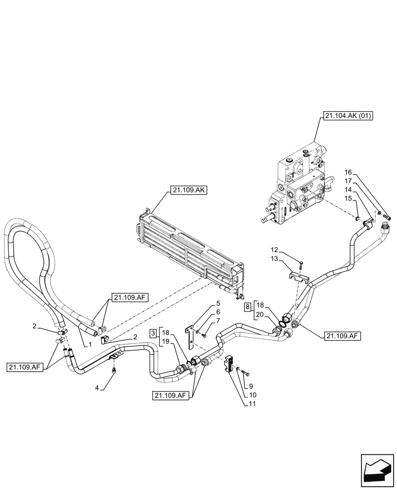
Запчасти Case IH FARMALL 65C (21.109.AC) - VAR - 339823, 743563 - OIL COOLER, POWERSHUTTLE, LINE (21) - TRANSMISSION

Схема запчастей Case IH FARMALL 65C - (21.109.AC) - VAR - 339823, 743563 - OIL COOLER, POWERSHUTTLE, LINE (21) - TRANSMISSION
21.109.ak
8
10
2
3
18
16
13
9
5
12
2
11
15
18
4
17
8
20
7
1
19
6
14
21.104.ak (01)
21.109.af
21.109.af
21.109.af
21.109.af
FIT
1:1
100%

Артикул

Название

Примечание

Количество

1

84235707

FLEXIBLE HOSE

Delivery Cooler

1шт.

2

47543302

HOSE CLAMP

16 x 25mm

2шт.

3

47459495

PIPE

Delivery Cooler, ASSY, Incl 18 (Qty 1), 19

1шт.

4

14306120

HEX SOC SCREW,M8 x 1.25 x 12mm, Cl 8.8, Full Thd

1шт.

5

47539368

BRACKET

1шт.

6

11193274

BELLEVILLE WASHER,M6 Bolt Size x 15mm OD x 1.2mm Thk

2шт.

7

10902111

SCREW,M6 x 14

M6 x 14

2шт.

8

47419063

PIPE

Delivery Cooler, ASSY, Incl 18 (Qty 1), 20

1шт.

9

86977789

BOLT,Hex, M6 x 1.0 x 35mm, Cl 8.8

1шт.

10

12639701

WASHER,6.15mm ID x 11mm OD x 1mm Thk

1шт.

11

87571442

BRACKET

1шт.

12

43118

BOLT,Hex, M6 x 1.0 x 40mm, Cl 8.8

1шт.

13

84309294

FIXING PLATE

1шт.

14

47418401

PIPE

Delivery Cooler

1шт.

15

14457080

O-RING,0.103" Thk x 0.487" ID, -112, Cl 5, 75 Duro

1шт.

16

14306321

HEX SOC SCREW,M8 x 20mm, Cl 8.8

1шт.

17

14499301

WASHER,M6 x 12.00mm OD x 1.60mm Overwrite

1шт.

18

5185512

O-RING,0.07" Thk x 0.614" ID, -16, Cl 6, 90 Duro

2шт.

19

NSS

NOT SOLD SEPARAT

Pipe, Incl in 3

1шт.

20

NSS

NOT SOLD SEPARAT

Pipe, Incl in 8

1шт.

Выбрано товаров: 20