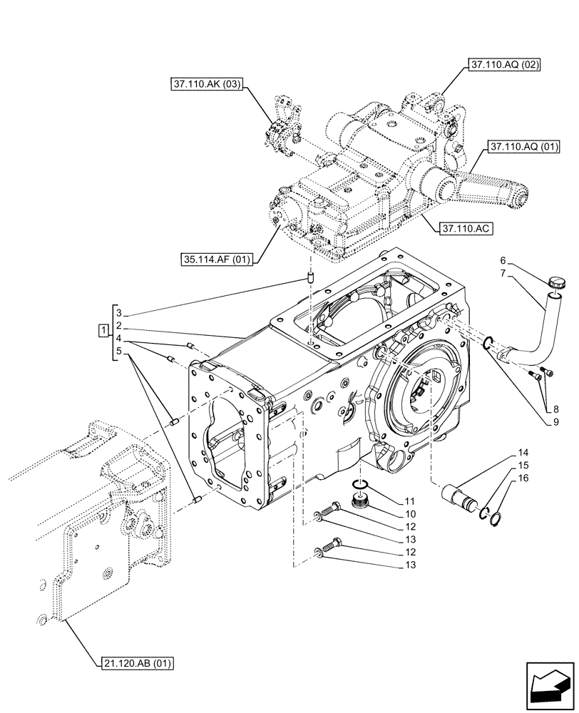
Запчасти Case IH FARMALL 65C (21.118.AF[01]) - VAR - 330276, 332068, 332069, 333068, 333069, 334068, 390068 - TRANSMISSION HOUSING (W/ PARKING LOCK) (21) - TRANSMISSION

Схема запчастей Case IH FARMALL 65C - (21.118.AF[01]) - VAR - 330276, 332068, 332069, 333068, 333069, 334068, 390068 - TRANSMISSION HOUSING (W/ PARKING LOCK) (21) - TRANSMISSION
35.114.af (01)
37.110.aq (01)
4
1
37.110.ak (03)
12
3
13
12
5
37.110.ac
16
8
6
7
11
37.110.aq (02)
9
21.120.ab (01)
15
2
10
13
14
FIT
1:1
100%

Артикул

Название

Примечание

Количество

1

84226000

TRANSMISSION HOUSING

ASSY, Incl 2 - 5

1шт.

2

NSS

NOT SOLD SEPARAT

Transmission Housing, Incl in 1

1шт.

3

5110200

DOWEL,12mm OD x 25mm L

1шт.

4

5153109

DOWEL,10mm OD x 15mm L

2шт.

5

4988170

PIN,10mm OD x 20mm L

D = 10 x 20

2шт.

6

5180946

FILLER CAP,M32 x 1.5

1шт.

7

84398716

RIGID TUBE

1шт.

8

14306424

HEX SOC SCREW,M8 x 1.25 x 25mm, Cl 8.8, Full Thd

2шт.

9

14457981

O-RING,1.049" ID x 0.103" Width

1шт.

10

87687750

MAGNETIC PLUG,Hex, M33 X 2 X 16mm

M33 x 2

1шт.

11

14438285

O-RING,29.5mm ID x 3.0mm

1шт.

12

15540634

BOLT,Hex, M12 x 1.25 x 40mm, Cl 10.9, Full Thd

2шт.

13

11198674

BELLEVILLE WASHER,M12 Bolt Size x 24mm OD x 3.2mm Thk

2шт.

14

84178649

SHAFT

1шт.

15

14457580

O-RING,0.103" Thk x 0.799" ID, -117, Cl 5, 75 Duro

1шт.

16

11067276

SNAP RING,M24, Ext

1шт.

Выбрано товаров: 16