Запчасти Case IH FARMALL 65C (21.130.AZ[03]) - VAR - 330274, 334174, 334175, 390067 - TRANSMISSION, CONTROLS, ROD & FORKS, W/O CAB (21) - TRANSMISSION

Схема запчастей Case IH FARMALL 65C - (21.130.AZ[03]) - VAR - 330274, 334174, 334175, 390067 - TRANSMISSION, CONTROLS, ROD & FORKS, W/O CAB (21) - TRANSMISSION
4
7
21.130.bf (02)
6
5
3
8
7
2
1
FIT
1:1
100%

Артикул

Название

Примечание

Количество

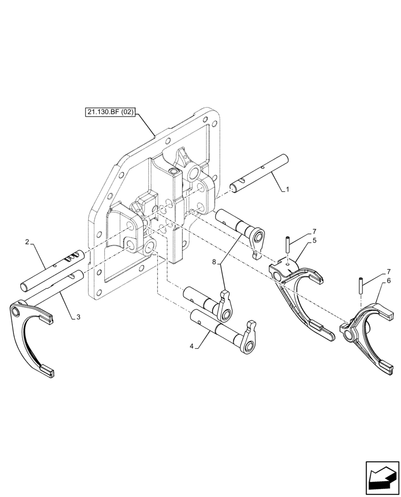
1

84225189

ROD

1шт.

2

84225188

ROD

1шт.

3

84200028

FORK

Speed Selector, 1st/2nd Gears

1шт.

4

84225183

FORK

MID/HIGH Range Selector

1шт.

5

84225182

FORK

Speed Selector, 3rd/4th Gears

1шт.

6

84337429

CONTROL LEVER

1шт.

7

84337428

PIVOT

1шт.

8

13907670

ROLL PIN,M5 x 30, Coiled

2шт.

Выбрано товаров: 8