Запчасти Case IH FARMALL 65C (21.130.AZ[07]) - VAR - 330272, 330276, 332079, 334176, 743546, 744576 - TRANSMISSION, CONTROLS, ROD & FORKS, W/O CAB (12X12) (21) - TRANSMISSION

Схема запчастей Case IH FARMALL 65C - (21.130.AZ[07]) - VAR - 330272, 330276, 332079, 334176, 743546, 744576 - TRANSMISSION, CONTROLS, ROD & FORKS, W/O CAB (12X12) (21) - TRANSMISSION
1
2
5
7
3
6
8
4
10
11
9
8
21.130.bf (04)
FIT
1:1
100%

Артикул

Название

Примечание

Количество

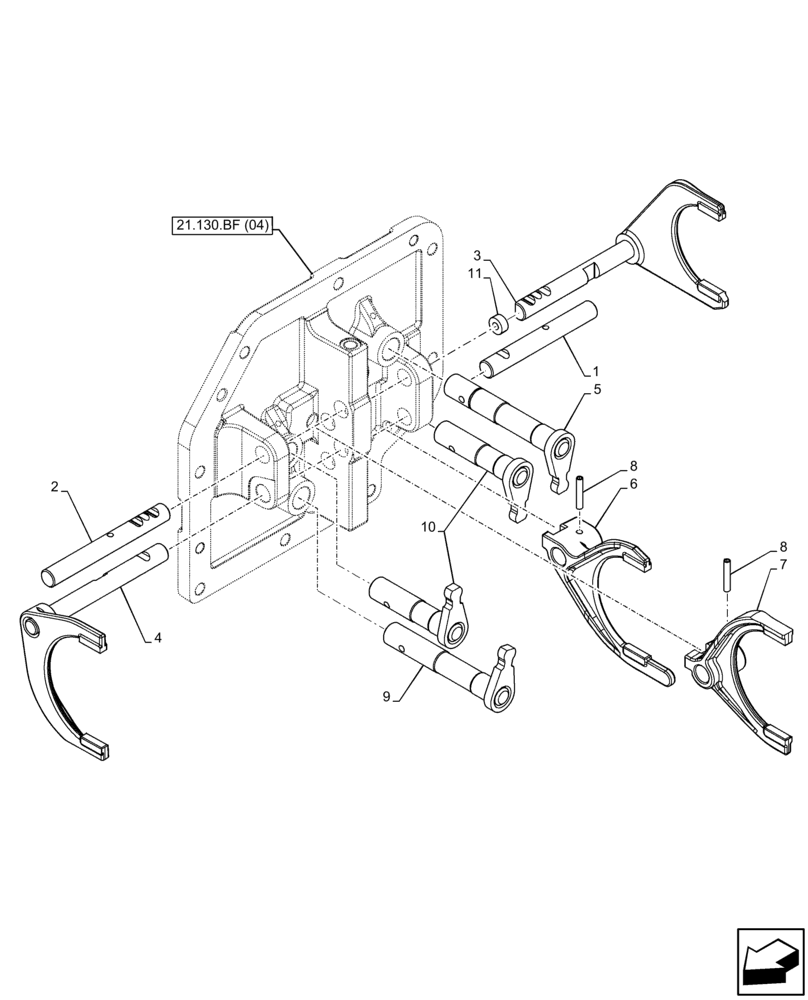
1

84225189

ROD

1шт.

2

84225188

ROD

1шт.

3

84200029

FORK

1шт.

4

84200028

FORK

Speed Selector, 1st/2nd Gear

1шт.

5

84402812

PIVOT,22mm OD x 127mm L

1шт.

6

84225183

FORK

MID/HIGH Range Selector

1шт.

7

84225182

FORK

Speed Selector, 3rd/4th Gear

1шт.

8

13907670

ROLL PIN,M5 x 30, Coiled

2шт.

9

84337429

CONTROL LEVER

1шт.

10

84337428

PIVOT

1шт.

11

84354687

SPACER,16.2mm ID x 20mm OD x 9.5mm L

1шт.

Выбрано товаров: 11