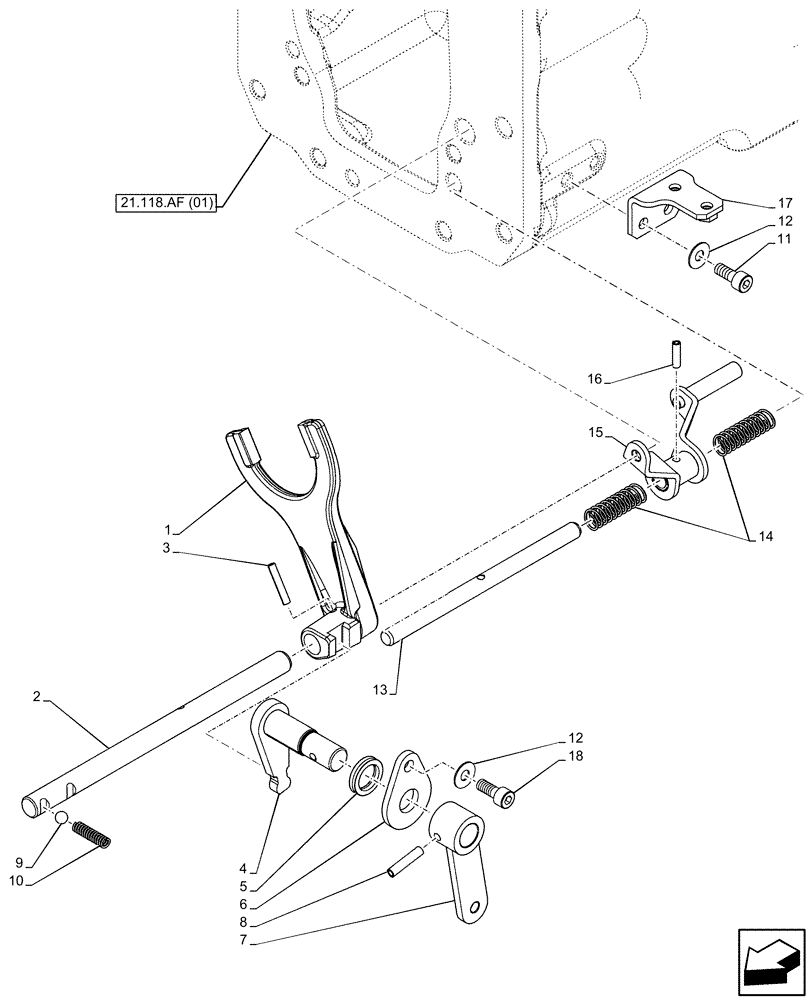
Запчасти Case IH FARMALL 65C (21.160.AD[02]) - VAR - 334175, 334176 - TRANSMISSION, POWERSHUTTLE, CREEPER, ROD & FORKS (21) - TRANSMISSION

Схема запчастей Case IH FARMALL 65C - (21.160.AD[02]) - VAR - 334175, 334176 - TRANSMISSION, POWERSHUTTLE, CREEPER, ROD & FORKS (21) - TRANSMISSION
14
7
17
18
5
9
15
3
2
1
21.118.af (01)
10
6
16
13
12
11
4
8
12
FIT
1:1
100%

Артикул

Название

Примечание

Количество

1

84233705

FORK

1шт.

2

84251067

ROD

198mm

1шт.

3

13907670

ROLL PIN,M5 x 30, Coiled

1шт.

4

84284079

CONTROL LEVER

1шт.

5

84200030

SEALING RING,20mm ID x 28mm OD x 5.5mm Thk

1шт.

6

84233704

PLATE

1шт.

7

84225197

CONTROL LEVER

1шт.

8

13910370

ROLL PIN,6mm OD x 30mm L

1шт.

9

20063390

BALL,8.73mm OD

1шт.

10

4956546

SPRING,Cylindrical, 8.1mm OD x 38mm L

1шт.

11

864-8020

HEX SOC SCREW,M8 x 20mm, Cl 8.8

2шт.

12

12625221

WASHER,8.15mm ID x 20mm OD x 1mm Thk

2шт.

13

84233710

ROD

1шт.

14

4973361

SPRING,Compression, 15.5mm OD x 50.5mm L

2шт.

15

84304647

IDLER LEVER

1шт.

16

838-3520

PIN,M5 x 20, Coiled

1шт.

17

84297860

BRACKET

1шт.

18

16043424

SCREW,Hex, M8 x 1.25 x 20mm, Cl 8.8, Full Thd

1шт.

Выбрано товаров: 18