Запчасти Case IH FARMALL 65C (35.000.00[04]) - SECTION INDEX - HYDRAULIC SYSTEMS (35) - HYDRAULIC SYSTEMS

Схема запчастей Case IH FARMALL 65C - (35.000.00[04]) - SECTION INDEX - HYDRAULIC SYSTEMS (35) - HYDRAULIC SYSTEMS
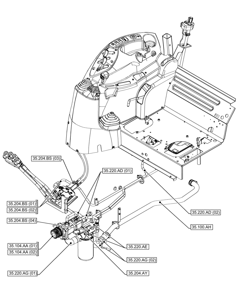
35.220.ad (02)
35.220.ae
35.100.ah
35.220.ag (01)
35.204.bs (01)
35.220.ag (02)
35.220.ad (01)
35.204.ay
35.204.bs (04)
35.204.bs (02)
35.204.bs (03)
35.104.aa (02)
35.104.aa (01)
FIT
1:1
100%