Запчасти Case IH FARMALL 65C (35.100.AH) - VAR - 390831, 743595, 743596 - HYDRAULIC LIFT, OIL FILTER, PIPE (35) - HYDRAULIC SYSTEMS

Схема запчастей Case IH FARMALL 65C - (35.100.AH) - VAR - 390831, 743595, 743596 - HYDRAULIC LIFT, OIL FILTER, PIPE (35) - HYDRAULIC SYSTEMS
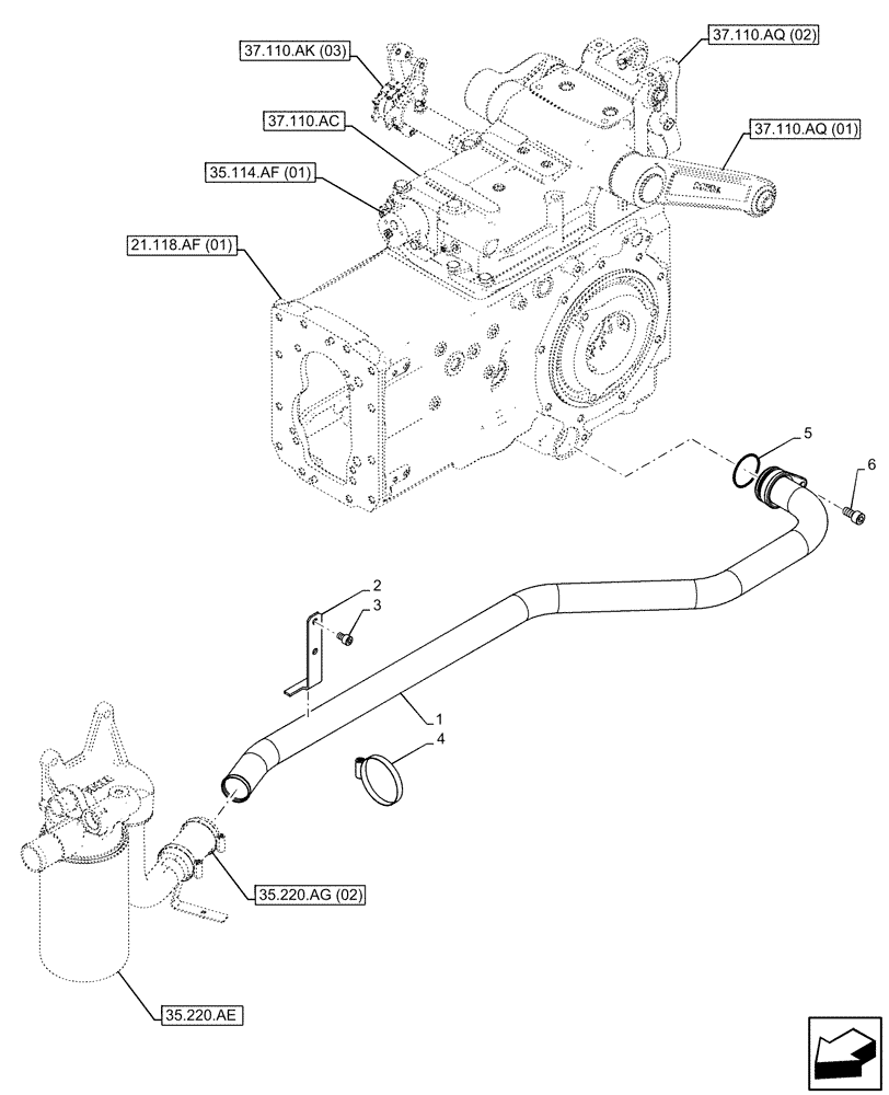
35.114.af (01)
37.110.aq (02)
6
21.118.af (01)
37.110.ak (03)
35.220.ae
37.110.ac
35.220.ag (02)
37.110.aq (01)
3
5
4
2
1
FIT
1:1
100%

Артикул

Название

Примечание

Количество

1

47413981

PIPE

Suction

1шт.

2

47413994

BRACKET

1шт.

3

14306120

HEX SOC SCREW,M8 x 1.25 x 12mm, Cl 8.8, Full Thd

2шт.

4

13000990

COLLAR,60mm - 80mm, Worm Gear

60 x 80mm STL ZND

1шт.

5

235782

O-RING,0.139" Thk x 1.734" ID, -224, Cl 6, 90 Duro

1шт.

6

15970521

BOLT,Hex, M10 x 1.25 x 20mm, Cl 8.8, Full Thd

1шт.

Выбрано товаров: 6