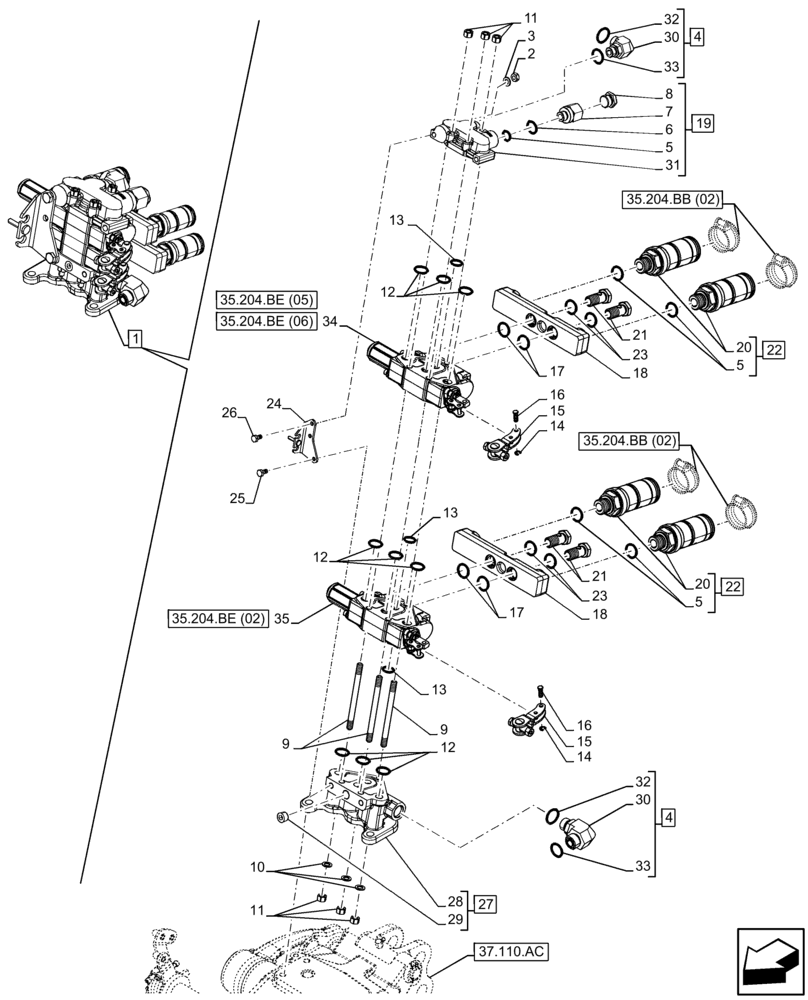
Запчасти Case IH FARMALL 65C (35.204.BE[04]) - VAR - 334107, 743569 - REMOTE CONTROL VALVE (2 REMOTE, 4 COUPLERS) - END YR 09-MAY-2016 (35) - HYDRAULIC SYSTEMS

Схема запчастей Case IH FARMALL 65C - (35.204.BE[04]) - VAR - 334107, 743569 - REMOTE CONTROL VALVE (2 REMOTE, 4 COUPLERS) - END YR 09-MAY-2016 (35) - HYDRAULIC SYSTEMS
31
20
32
19
26
35.204.be (05)
9
14
29
1
22
9
13
18
35
1
12
1
35.204.bb (02)
30
13
16
13
15
12
3
15
35.204.be (02)
24
17
22
35.204.be (06)
17
8
21
4
27
37.110.ac
7
14
23
30
6
35.204.bb (02)
21
5
5
12
32
4
20
18
11
10
5
16
33
23
33
28
34
2
25
FIT
1:1
100%

Артикул

Название

Примечание

Количество

1

84243108

DISTRIBUTOR

2 Remotes / 4 Deluxe Couplers, ASSY, Incl 2 - 35

1шт.

See Distributor Components also in Figure 35.204.BE (05), (06), (07)

1шт.

2

12164714

NUT,M10 x 1.25, Cl 8

1шт.

3

11190574

BELLEVILLE WASHER,M10 Bolt Size x 20mm OD x 2.3mm Thk

1шт.

4

86579694

ELBOW,90 Degree, 1"-14 ORFS x M22 x 1.5 ORB

ASSY, Incl 30 (Qty 1), 32 (Qty 1), 33 (Qty 1)

2шт.

5

14438085

O-RING,19.3mm ID x 2.4mm

5шт.

6

167266

O-RING,0.116" Thk x 0.924" ID, -912, Cl 6, 90 Duro

1шт.

7

5174043

HYD CONNECTOR,Hex, M22 x 1.5 x 52mm L

1шт.

8

83957506

PLUG,3/4"

1шт.

9

5151506

THREADED ROD,3/8" - 24 x 6-5/8"

3шт.

10

12648304

WASHER,10.2mm ID x 17mm OD x 1.5mm Thk

3шт.

11

5116857

NUT,3/8" - 24

3/8-24 R80 DAC

6шт.

12

87335172

SEALING RING,19mm ID x 26mm OD x 3mm Thk

9шт.

13

87357854

SEALING RING,15.5mm ID x 19.5mm OD x 2mm Thk

3шт.

14

11087776

CIRCLIP,Ext., M6, BLO

2шт.

15

47529977

CONTROL LEVER

2шт.

16

5172456

PIN,6mm OD x 20mm L

2шт.

17

14457480

O-RING,18.72mm ID x 2.62mm Thk , -116, Cl 5

4шт.

18

5185533

HYD CONNECTOR

2шт.

19

87397264

SUPPORT

ASSY, Incl 5 (Qty 1), 6 - 8, 31

1шт.

20

NSS

NOT SOLD SEPARAT

Quick Coupling, Incl in 22

4шт.

21

5168481

BANJO BOLT,M18 x 1.5 x 38mm

M18 x 1.5 x 38

4шт.

22

5179558

COUPLING, QUICK, FEM,Hex, M22 x 1.5 x 110.8mm L

ASSY, Incl 5 (Qty 1), 20 (Qty 1)

4шт.

23

14437985

O-RING,15.3mm ID x 2.4mm

4шт.

24

84282305

BRACKET

1шт.

25

15970524

BOLT,Hex, M10 x 1.25 x 20mm, Cl 8.8, Full Thd

1шт.

26

15888824

BOLT,Hex, M10 x 1.25 x 70mm, Cl 8.8

1шт.

27

84254823

PLATE

ASSY, Incl 28, 29

1шт.

28

NSS

NOT SOLD SEPARAT

Body, Incl in 27

1шт.

29

10269601

PLUG,M16 x 1.5

M16 x 1.5 x 11 STL ZND

1шт.

30

NSS

NOT SOLD SEPARAT

Elbow, Incl in 4

2шт.

31

87358977

COVER

1шт.

32

86598102

O-RING,2.2mm Thk x 19.3mm ID, Cl 6, 90 Duro

2шт.

33

9992069

O-RING,0.07" Thk x 0.614" ID, -16, Cl 6, 90 Duro

2шт.

34

84285895

DISTRIBUTOR

ASSY

1шт.

35

84236762

DISTRIBUTOR

ASSY

1шт.

Выбрано товаров: 36