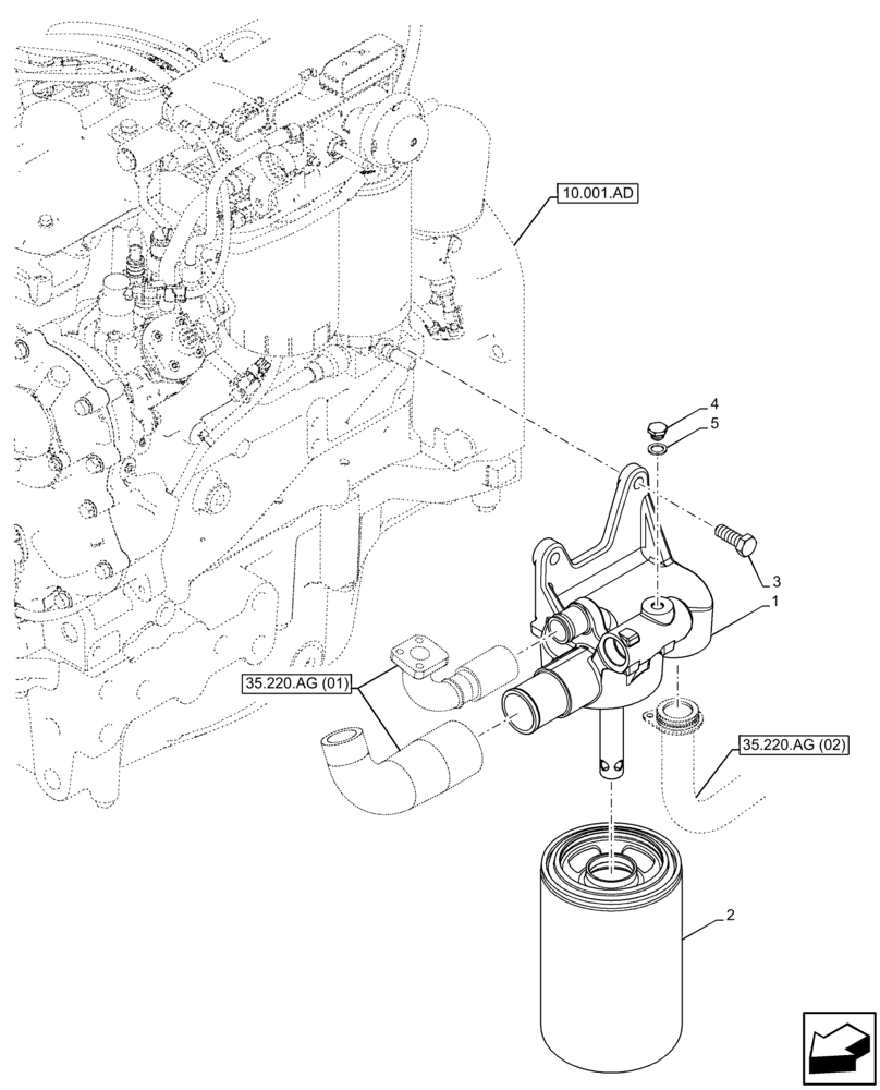
Запчасти Case IH FARMALL 65C (35.220.AE) - VAR - 390831, 743595, 743596 - HYDRAULIC OIL FILTER (35) - HYDRAULIC SYSTEMS

Схема запчастей Case IH FARMALL 65C - (35.220.AE) - VAR - 390831, 743595, 743596 - HYDRAULIC OIL FILTER (35) - HYDRAULIC SYSTEMS
35.220.ag (02)
3
1
10.001.ad
5
4
35.220.ag (01)
2
FIT
1:1
100%

Артикул

Название

Примечание

Количество

1

84581495

SUPPORT

1шт.

2

84581942

HYDRAULIC OIL FILTER,135mm OD x 244mm L, M55 x 1.5, 50 Microns

1шт.

3

11112624

BOLT,M12 x 35, 8.8, Full Thd

2шт.

4

10300511

PLUG,M12 x 1.5 x 12, Cl5.8

1шт.

5

5183780

SEALING WASHER,9.73mm ID x 18mm OD x 1.5mm Thk

1шт.

Выбрано товаров: 5