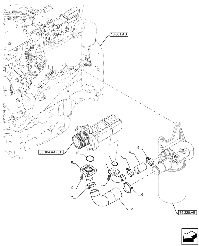
Запчасти Case IH FARMALL 65C (35.220.AG[01]) - VAR - 390831, 743595, 743596 - HYDRAULIC PUMP, RETURN, LINE (35) - HYDRAULIC SYSTEMS

Схема запчастей Case IH FARMALL 65C - (35.220.AG[01]) - VAR - 390831, 743595, 743596 - HYDRAULIC PUMP, RETURN, LINE (35) - HYDRAULIC SYSTEMS
6
4
2
8
35.104.aa (01)
35.220.ae
10
5
5
10.001.ad
3
1
11
9
7
FIT
1:1
100%

Артикул

Название

Примечание

Количество

1

84581955

HYDRAULIC MANIFOLD

1шт.

2

84348893

SLEEVE

1шт.

3

86531615

HEX SOC SCREW,M6 x 20mm, Cl 8.8

3шт.

4

84581957

SLEEVE,32mm ID x 42mm OD x 50mm L

1шт.

5

82039348

HOSE CLAMP,40mm - 60mm

40 x 60 x 12 CST ZND

2шт.

6

13000790

HOSE CLAMP,40mm - 60mm, Worm Gear

40 x 60mm STL ZND

1шт.

7

13001690

HOSE CLAMP,Worm Gear, 30mm/45mm x 9mm W, CST, ZND

1шт.

8

84348891

TUBE

1шт.

9

14306321

HEX SOC SCREW,M8 x 20mm, Cl 8.8

4шт.

10

14458380

O-RING,0.103" Thk x 1.299" ID, -125, Cl 5, 75 Duro

1шт.

11

2852978

O-RING,0.103" Thk x 0.924" ID, -119, Cl 7, 75 Duro

1шт.

Выбрано товаров: 11