Запчасти Case IH FARMALL 65C (37.108.AE) - VAR - 390831, 743595, 743596 - HYDRAULIC LIFT, LINK, ROD (37) - HITCHES, DRAWBARS & IMPLEMENT COUPLINGS

Схема запчастей Case IH FARMALL 65C - (37.108.AE) - VAR - 390831, 743595, 743596 - HYDRAULIC LIFT, LINK, ROD (37) - HITCHES, DRAWBARS & IMPLEMENT COUPLINGS
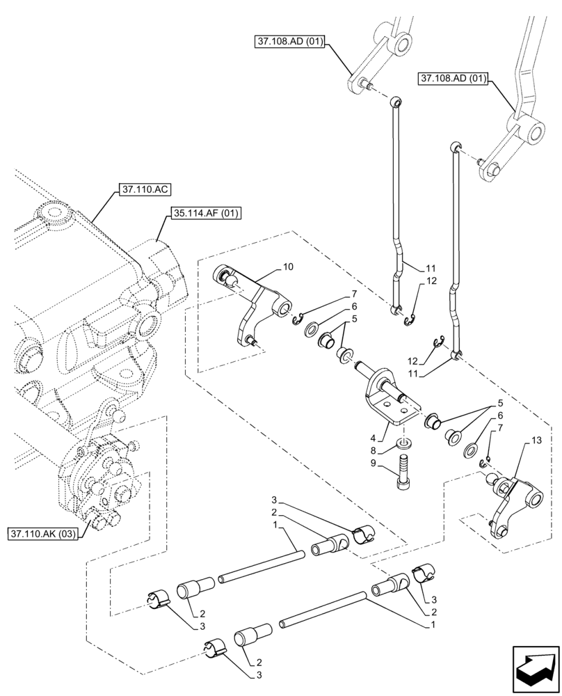
37.108.ad (01)
12
2
4
37.110.ac
37.110.ak (03)
3
6
2
6
10
7
37.108.ad (01)
3
3
5
35.114.af (01)
2
12
2
1
8
11
11
5
3
9
7
13
1
FIT
1:1
100%

Артикул

Название

Примечание

Количество

1

84338315

THREADED TIE-ROD

2шт.

2

10124511

BALL JOINT HEAD,M13 x 45mm L, M8 Thread

M13 x 45 Type Socket Lite STL Z

4шт.

3

10125574

CLAMP,13mm

13 x 15 STL DAC

4шт.

4

84309489

BRACKET

1шт.

5

84309424

BUSHING,10mm ID x 12mm OD x 10.0mm L

4шт.

6

12638604

LOCK WASHER

10.5 x 18 x 2 DAC

2шт.

7

11087974

CIRCLIP,Ext., M8, DAC

4шт.

8

11193871

BELLEVILLE WASHER,M8 Bolt Size x 16mm OD x 1.4mm Thk

2шт.

9

14306621

HEX SOC SCREW,M8 x 35mm, Cl 8.8, Full Thd

2шт.

10

84309472

LEVER

1шт.

11

47528703

TIE-ROD

2шт.

12

11087674

WASHER,4mm, CST DAC

4mm DAC

2шт.

13

84309476

LEVER

1шт.

Выбрано товаров: 13