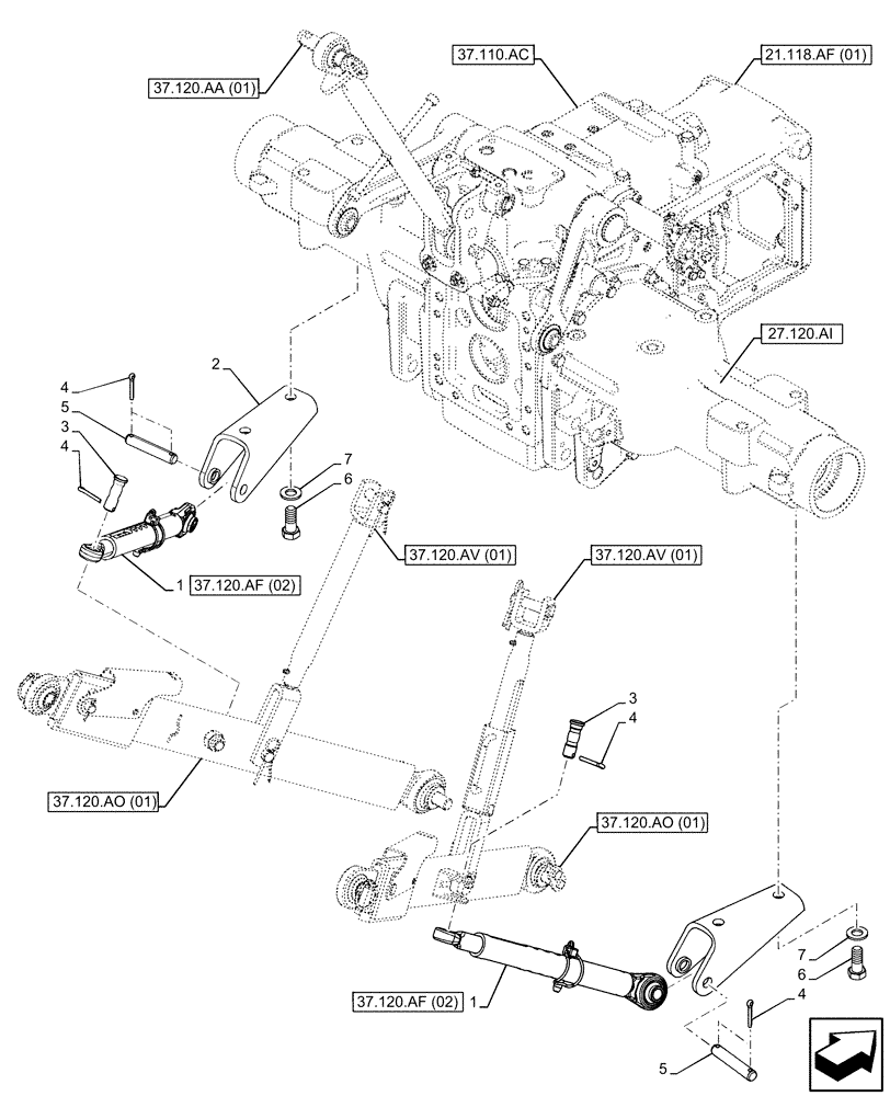
Запчасти Case IH FARMALL 65C (37.120.AF[01]) - VAR - 391953, 743598 - STABILIZER CYLINDER (37) - HITCHES, DRAWBARS & IMPLEMENT COUPLINGS

Схема запчастей Case IH FARMALL 65C - (37.120.AF[01]) - VAR - 391953, 743598 - STABILIZER CYLINDER (37) - HITCHES, DRAWBARS & IMPLEMENT COUPLINGS
37.120.af (02)
5
3
4
1
6
2
4
4
3
6
37.120.av (01)
37.120.av (01)
21.118.af (01)
5
37.120.ao (01)
4
7
37.120.ao (01)
37.120.af (02)
37.120.aa (01)
37.110.ac
7
1
27.120.ai
FIT
1:1
100%

Артикул

Название

Примечание

Количество

1

84204069

STABILIZER

ASSY

2шт.

2

84231654

U-BRACKET

2шт.

3

47133051

PIN,20mm OD x 59mm L

2шт.

4

10798301

COTTER PIN,M6.3 x 36

6шт.

5

5125861

PIN,19mm OD x 105mm L

Stabilizer

2шт.

6

15984124

SCREW,Hex, M18 x 1.5 x 45mm, Cl 8.8, Full Thd

4шт.

7

11191679

BELLEVILLE WASHER,M18 Bolt Size x 36mm OD x 4.2mm Thk

4шт.

Выбрано товаров: 7