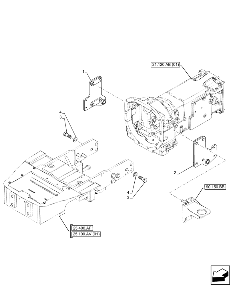
Запчасти Case IH FARMALL 65C (82.100.AK[02]) - VAR - 743593 - PLATE, W/O FRONT LOADER, W/O CAB (82) - FRONT LOADER & BUCKET

Схема запчастей Case IH FARMALL 65C - (82.100.AK[02]) - VAR - 743593 - PLATE, W/O FRONT LOADER, W/O CAB (82) - FRONT LOADER & BUCKET
21.120.ab (01)
3
4
25.100.av (01)
3
90.150.bb
1
25.400.af
2
4
FIT
1:1
100%

Артикул

Название

Примечание

Количество

1

84256983

BRACKET

RH

1шт.

2

84308655

BRACKET

LH

1шт.

3

15988231

BOLT,Hex, M20 x 1.5 x 55mm, Cl 10.9, Full Thd

6шт.

4

11191879

BELLEVILLE WASHER,Belleville, 20mm ID x 38mm OD x 5.2mm Thk

ZNM

6шт.

Выбрано товаров: 4