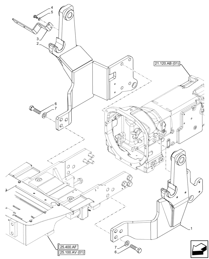
Запчасти Case IH FARMALL 65C (82.100.AK[04]) - VAR - 333489, 334489, 335489, 339489, 336914, 336732, 336734, 336736 - LOADER ARM, SUPPORT, W/ CAB (82) - FRONT LOADER & BUCKET

Схема запчастей Case IH FARMALL 65C - (82.100.AK[04]) - VAR - 333489, 334489, 335489, 339489, 336914, 336732, 336734, 336736 - LOADER ARM, SUPPORT, W/ CAB (82) - FRONT LOADER & BUCKET
3
25.400.af
1
25.100.av (01)
6
21.120.ab (01)
7
6
5
4
7
2
FIT
1:1
100%

Артикул

Название

Примечание

Количество

1

47440683

BRACKET

LH

1шт.

2

47440679

BRACKET

RH

1шт.

3

84318326

BRACKET

1шт.

4

15970724

SCREW,Hex, M10 x 1.25 x 25mm, Cl 8.8, Full Thd

2шт.

5

11190574

BELLEVILLE WASHER,M10 Bolt Size x 20mm OD x 2.3mm Thk

2шт.

6

15988631

BOLT,Hex, M20 x 1.5 x 75mm, Cl 10.9

6шт.

7

11191879

BELLEVILLE WASHER,Belleville, 20mm ID x 38mm OD x 5.2mm Thk

ZNM

6шт.

Выбрано товаров: 7