Запчасти Case IH FARMALL 75A (10.101.01[02]) - CYLINDER HEAD - VALVES (10) - ENGINE

Схема запчастей Case IH FARMALL 75A - (10.101.01[02]) - CYLINDER HEAD - VALVES (10) - ENGINE
3
1
7
8
19
2
2
1
1
2
15
11
17
2
12
2
3
4
13
1
14
2
14
1
9
12
5
16
10.001.02 02
2
2
2
home
1
1
10
4
10
6
18
2
2
4
2
2
2
1
11
1
2
13
FIT
1:1
100%

Артикул

Название

Примечание

Количество

1

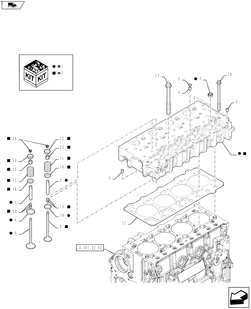
504254092

CYLINDER HEAD

Assy.

1шт.

2

8099020

CYLINDER HEAD

Assy.

1шт.

3

4749397

VALVE GUIDE,Std

+0.05 mm

8шт.

3

4749398

VALVE GUIDE,+0.10

+0.1 mm

8шт.

3

4749399

VALVE GUIDE,+0.2

+0.25 mm

8шт.

4

99435557

DOWEL,8.50mm Dia

D = 8.5

3шт.

5

17281481

O-RING,10.7mm ID x 2.6mm Width

10.7 x 2.6

1шт.

6

504254094

VALVE SEAT

4шт.

7

16988301

PLUG,Lock, 20mm Dia

D = 20

8шт.

8

504162958

STD INLET VALVE

STD ENGINE INLET VALVE

4шт.

9

504162959

STD EXHAUST VALVE

STD ENGINE EXHAUST VALVE

4шт.

10

504178119

RETAINER CUP

8шт.

11

4812347

SPRING,Extension, 33mm OD x 44.6mm L

8шт.

12

4780558

CUP

8шт.

13

40101573

SEAL

8шт.

14

4819891

ROCKER ARM COTTER,7.85mm Dia

D = 7.85

16шт.

15

504081521

BOLT,M15 x 1.5 x 193mm

M15 x 1.5 x 193

6шт.

16

504081533

BOLT,M12 x 1.5 x 165mm

M12 x 1.5 x 165

4шт.

17

504190831

CYLINDER HEAD GASKET

1шт.

18

4838680

CAP

8шт.

19

504162949

VALVE SEAT

4шт.

Выбрано товаров: 21