Запчасти Case IH FARMALL 75A (10.102.03[02]) - OIL SUMP (10) - ENGINE

Схема запчастей Case IH FARMALL 75A - (10.102.03[02]) - OIL SUMP (10) - ENGINE
1
8
1
11
10.001.02 02
1
7
5
home
9
1
1
6
9
3
1
4
8
1
1
10
2
FIT
1:1
100%

Артикул

Название

Примечание

Количество

1

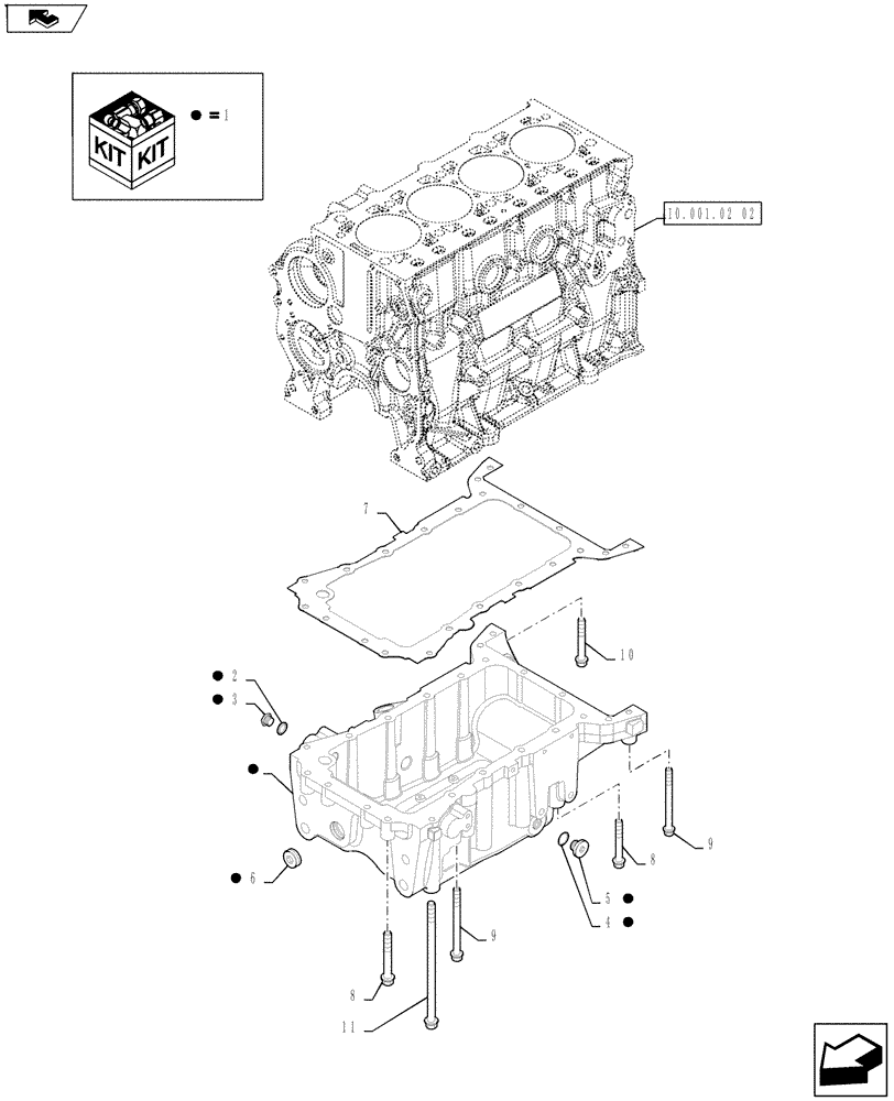
504248412

SUMP

Assy.

1шт.

2

2830128

SEALING WASHER,13.9mm ID x 24mm OD x 1.5mm Thk

16 x 24 x 1.5

1шт.

3

2830127

PLUG,M16 x 1.5

M16 x 1 .5

1шт.

4

2853728

O-RING,M23.47 ID x 2.62 Thk

2шт.

5

4894139

PLUG,Hex Soc, M22 x 1.5

2шт.

6

16995111

PLUG,M35 x 1.5

M35 x 1.5

1шт.

7

504164360

GASKET

1шт.

8

16676534

BOLT,M10 x 55mm

M10 x 55

8шт.

9

16677235

BOLT,M10 x 110mm

M10 x 110

4шт.

10

16676934

SCREW,M10 x 1.5 x 80mm

M10 x 1.5 x 80

2шт.

11

16599424

SCREW,M10 x 180mm

M10 x 180

8шт.

Выбрано товаров: 11