Запчасти Case IH FARMALL 75A (10.408.02[04]) - HEAT EXCHANGER COOLANT TUBE (10) - ENGINE

Схема запчастей Case IH FARMALL 75A - (10.408.02[04]) - HEAT EXCHANGER COOLANT TUBE (10) - ENGINE
1
4
7
3
3
6
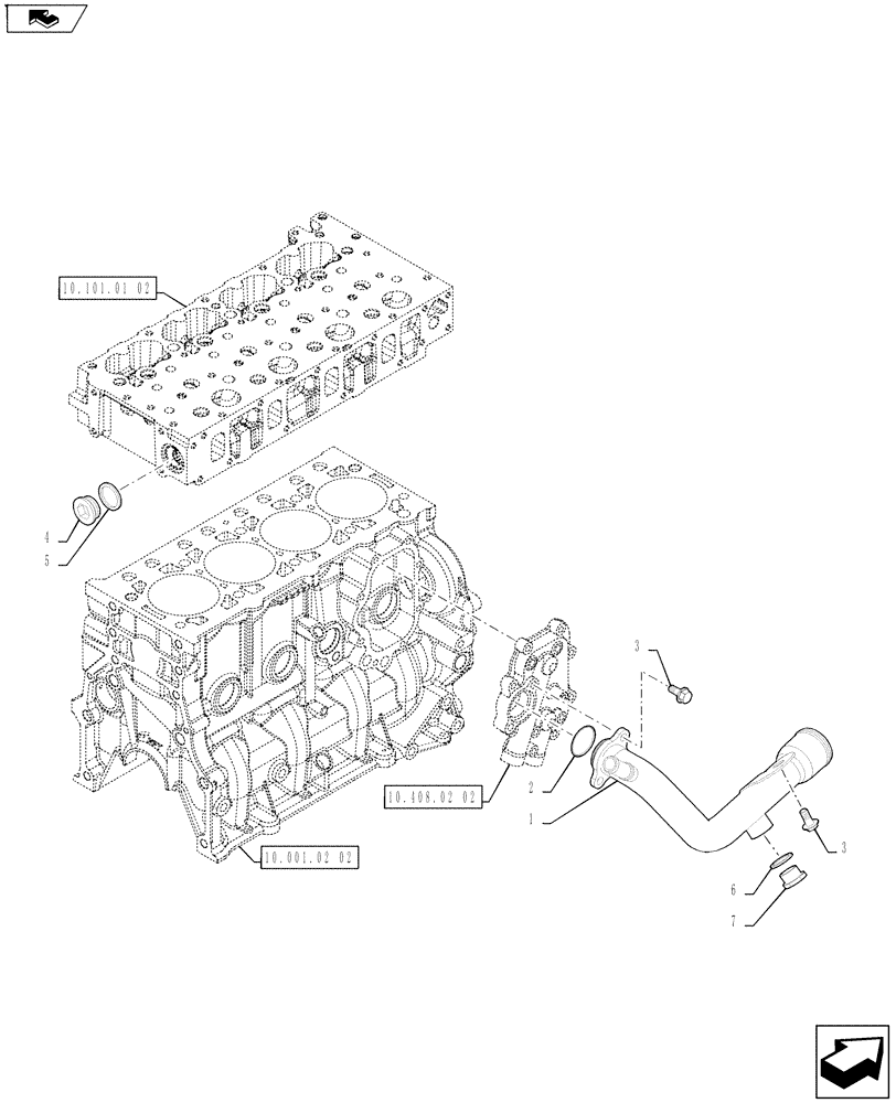
10.001.02 02
10.408.02 02
10.101.01 02
home
2
5
FIT
1:1
100%

Артикул

Название

Примечание

Количество

1

504248150

PIPE

Assy.

1шт.

2

17289081

O-RING,31.34mm ID x 3.53mm

31.34 x 3.53

1шт.

3

2854311

SCREW,Hex, Flg Hd, M8 x 1.25 x 18mm

M8 x 1.25 x 18

3шт.

4

16993711

PLUG,M35 x 1.5

M35 x 1.5

1шт.

5

10265160

SEALING WASHER,35.4mm ID x 41mm OD x 1.5mm Thk

1шт.

6

4899824

SEALING WASHER,18.2mm ID x 21.9mm OD x 1.5mm Thk

18 x 22 x 1.5

1шт.

7

2852496

PLUG,M18 x 1.5

M18 x 1.5

1шт.

Выбрано товаров: 7