Запчасти Case IH FARMALL 75C (21.130.01) - TRANSMISSION EXTERNAL SHIFTING CONTROLS AND CENTRAL REDUCTION GEARS CONTROLS - NAR - L/CAB (21) - TRANSMISSION

Схема запчастей Case IH FARMALL 75C - (21.130.01) - TRANSMISSION EXTERNAL SHIFTING CONTROLS AND CENTRAL REDUCTION GEARS CONTROLS - NAR - L/CAB (21) - TRANSMISSION
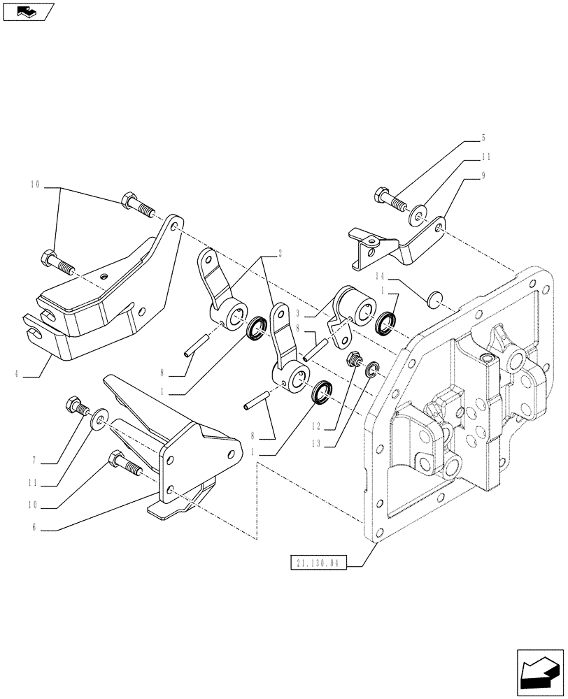
1
10
1
8
8
14
4
5
10
12
7
11
13
11
3
21.130.04
home
8
1
6
2
9
FIT
1:1
100%

Артикул

Название

Примечание

Количество

1

84200030

SEALING RING,20mm ID x 28mm OD x 5.5mm Thk

SEALRING

3шт.

2

84225198

CONTROL LEVER

2шт.

3

84225199

CONTROL LEVER

1шт.

4

84250790

BRACKET

1шт.

5

15970924

SCREW,Hex, M10 x 1.25 x 35mm, Cl 8.8

2шт.

6

84296099

BRACKET

1шт.

7

15970531

BOLT,Hex, M10 x 1.25 x 20mm, Cl 10.9, Full Thd

1шт.

8

13942770

ROLL PIN

3шт.

9

84286344

BRACKET

1шт.

10

14233734

BOLT,Hex, M10 x 1.25 x 35mm, Cl 10.9, Full Thd

4шт.

11

11190679

BELLEVILLE WASHER,M10 Bolt Size x 27mm OD x 2.5mm Thk

3шт.

12

10300611

PLUG,M14 x 1.5 x 14, Cl5.8

1шт.

13

5169544

SEAL,14.7mm ID x 22mm OD x 1.5mm Thk

1шт.

14

14328701

PLUG,M20, Tapered

1шт.

Выбрано товаров: 14