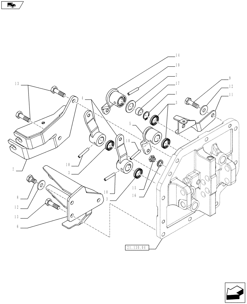
Запчасти Case IH FARMALL 75C (21.130.0103) - TRANSMISSION 12X12 - TRANSMISSION EXTERNAL SHIFTING CONTROLS AND CENTRAL REDUCTION GEARS CONTROLS - NAR - L/CAB (VAR.330272 / 743546; VAR.330276) (21) - TRANSMISSION

Схема запчастей Case IH FARMALL 75C - (21.130.0103) - TRANSMISSION 12X12 - TRANSMISSION EXTERNAL SHIFTING CONTROLS AND CENTRAL REDUCTION GEARS CONTROLS - NAR - L/CAB (VAR.330272 / 743546; VAR.330276) (21) - TRANSMISSION
3
17
9
10
1
14
7
home
12
21.130.04
8
2
6
11
12
5
10
15
10
16
4
3
13
3
10
13
FIT
1:1
100%

Артикул

Название

Примечание

Количество

1

11066876

SNAP RING,M20, Ext

1шт.

2

84423710

WASHER,20.2mm ID x 35mm OD x 2.25mm Thk

1шт.

3

84200030

SEALING RING,20mm ID x 28mm OD x 5.5mm Thk

SEALRING

4шт.

4

84225198

CONTROL LEVER

2шт.

5

84225199

CONTROL LEVER

1шт.

6

84296099

BRACKET

1шт.

7

84250790

BRACKET

1шт.

8

15970531

BOLT,Hex, M10 x 1.25 x 20mm, Cl 10.9, Full Thd

1шт.

9

15970924

SCREW,Hex, M10 x 1.25 x 35mm, Cl 8.8

2шт.

10

13942770

ROLL PIN

4шт.

11

84286344

BRACKET

1шт.

12

11190679

BELLEVILLE WASHER,M10 Bolt Size x 27mm OD x 2.5mm Thk

3шт.

13

14233734

BOLT,Hex, M10 x 1.25 x 35mm, Cl 10.9, Full Thd

4шт.

14

84402809

CONTROL LEVER

1шт.

15

10300611

PLUG,M14 x 1.5 x 14, Cl5.8

1шт.

16

5169544

SEAL,14.7mm ID x 22mm OD x 1.5mm Thk

1шт.

17

84354687

SPACER,16.2mm ID x 20mm OD x 9.5mm L

1шт.

Выбрано товаров: 17