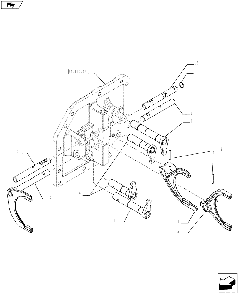
Запчасти Case IH FARMALL 75C (21.130.0501) - INNER CONTROLS - ROD AND FORK - NAR - W/CAB (21) - TRANSMISSION

Схема запчастей Case IH FARMALL 75C - (21.130.0501) - INNER CONTROLS - ROD AND FORK - NAR - W/CAB (21) - TRANSMISSION
7
10
2
1
home
6
5
21.130.04
8
4
3
9
11
FIT
1:1
100%

Артикул

Название

Примечание

Количество

1

84225189

ROD

1шт.

2

84225188

ROD

1шт.

3

84200028

FORK

Speed Selector, 1st/2nd Gears

1шт.

4

84225183

FORK

MID/HIGH Range Selector

1шт.

5

84225182

FORK

Speed Selector, 3rd/4th Gears

1шт.

6

84402812

PIVOT,22mm OD x 127mm L

1шт.

7

13907670

ROLL PIN,M5 x 30, Coiled

2шт.

8

84337429

CONTROL LEVER

1шт.

9

84342948

PIVOT

2шт.

10

84372766

ROD

1шт.

11

300625

SNAP RING,M16, Ext

1шт.

Выбрано товаров: 11