Запчасти Case IH FARMALL 75C (35.204.0309) - 2 MID MOUNT VALVES WITH JOYSTICK - VALVES AND PIPES - NAR (VAR.336125-338125) (35) - HYDRAULIC SYSTEMS

Схема запчастей Case IH FARMALL 75C - (35.204.0309) - 2 MID MOUNT VALVES WITH JOYSTICK - VALVES AND PIPES - NAR (VAR.336125-338125) (35) - HYDRAULIC SYSTEMS
8
15
7
3
12
4
6
11
home
35.204.0308 02
35.204.03 01
35.100.04 01
10
10
5
18
1
19
2
9
13
17
16
17
14
20
21
22
18
FIT
1:1
100%

Артикул

Название

Примечание

Количество

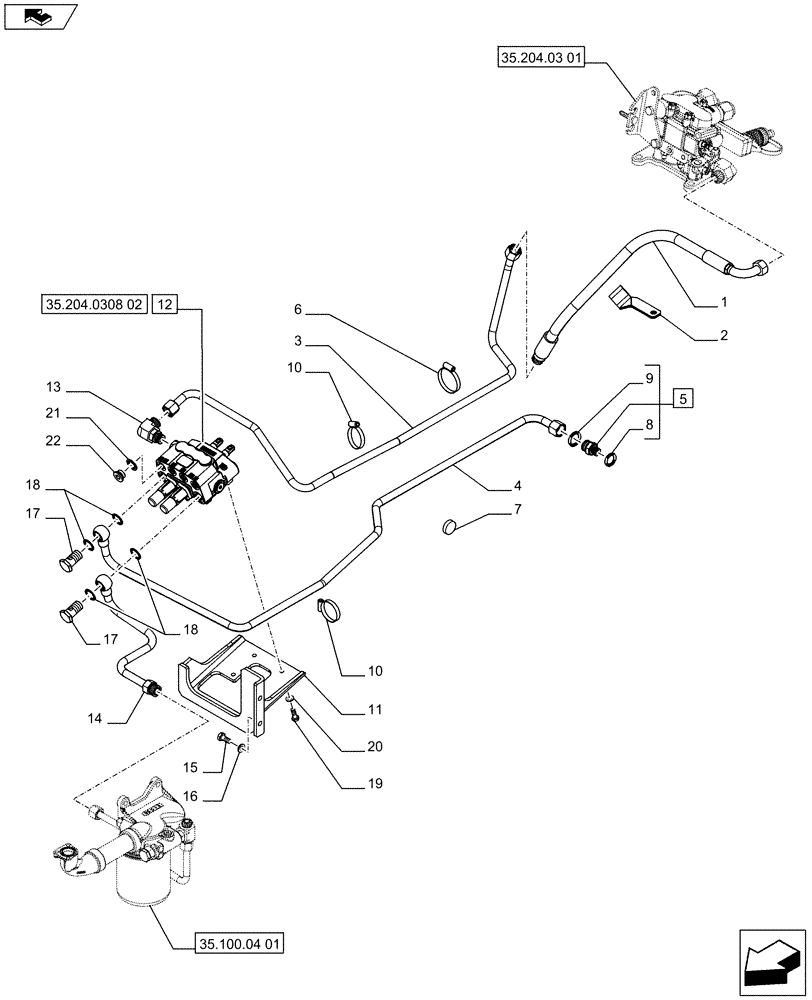
1

84233828

FLEXIBLE HOSE

1шт.

2

84309465

BRACKET

1шт.

3

84413400

RIGID TUBE

1шт.

4

84372325

RIGID TUBE

1шт.

5

86579679

HYD CONNECTOR,1"-14 ORFS x M18 x 1.5 ORB

ASSY, Contains Ref. 8, 9

1шт.

6

13000890

HOSE CLAMP,50mm - 70mm, Worm Gear

1шт.

7

14329101

PLUG,M30, Tapered

1шт.

8

86598101

O-RING,2.2mm Thk x 15.3mm ID, Cl 6, 90 Duro

1шт.

9

9992069

O-RING,0.07" Thk x 0.614" ID, -16, Cl 6, 90 Duro

1шт.

10

13000790

HOSE CLAMP,40mm - 60mm, Worm Gear

2шт.

11

84413926

BRACKET

1шт.

12

47132112

HYDRAULIC VALVE

1шт.

13

86579694

ELBOW,90 Degree, 1"-14 ORFS x M22 x 1.5 ORB

1шт.

14

84372327

RIGID TUBE

1шт.

15

15970724

SCREW,Hex, M10 x 1.25 x 25mm, Cl 8.8, Full Thd

2шт.

16

11190574

BELLEVILLE WASHER,M10 Bolt Size x 20mm OD x 2.3mm Thk

2шт.

17

5112588

BANJO BOLT,M22 x 1.5 x 40mm

2шт.

18

87667808

SEAL,22mm ID x 30mm OD x 1.5mm Thk

4шт.

19

43127

BOLT,Hex, M8 x 1.25 x 25mm, Cl 8.8

3шт.

20

11193879

BELLEVILLE WASHER,M8 Bolt Size x 16mm OD x 1.4mm Thk

3шт.

21

5186176

SEALING WASHER,15.80mm ID x 26.92mm OD x 1.50mm, Steel, Zinc

4шт.

22

10273140

PLUG,Hex Skt, M18 x 1.5

4шт.

Выбрано товаров: 22