Запчасти Case IH FARMALL 75C (55.408.0103) - ELECTROHYDRAULIC ENGAGEMENT 4WD - PEDAL SWITCH (VAR.330307-332307) (55) - ELECTRICAL SYSTEMS

Схема запчастей Case IH FARMALL 75C - (55.408.0103) - ELECTROHYDRAULIC ENGAGEMENT 4WD - PEDAL SWITCH (VAR.330307-332307) (55) - ELECTRICAL SYSTEMS
9
home
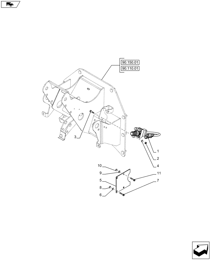
3
90.150.01
90.110.01
8
6
4
10
11
7
5
2
1
FIT
1:1
100%

Артикул

Название

Примечание

Количество

1

87484879

LIMIT SWITCH

Engagement 4WD Switch, Years: -19-JUL-11

1шт.

1

87484878

LIMIT SWITCH

Engagement 4WD Switch, Start Year: 20-JUL-11

1шт.

2

10794014

NUT,M4, Cl 8

4шт.

3

10444921

BOLT,Hex, M4 x 18mm, Cl 8.8

4шт.

4

89824840

WASHER,4.3mm ID x 9mm OD x 0.8mm Thk

4шт.

5

84279482

COVER

1шт.

6

10519201

WASHER,4.3mm ID x 9mm OD x 0.8mm Thk

2шт.

7

13272214

SCREW,Pozidriv Pan Hd, M4 x 16mm, Cl 5.8, Full Thd

2шт.

8

10794011

NUT,M4, Cl 8

2шт.

9

10519401

WASHER,6.4mm ID x 11.95mm OD x 1.6mm Thk

2шт.

10

15896214

NUT,M6, Cl 8

2шт.

11

13276211

SCREW,Pozidriv Pan Hd, M6 x 16mm, Cl 5.8, Full Thd

2шт.

Выбрано товаров: 12