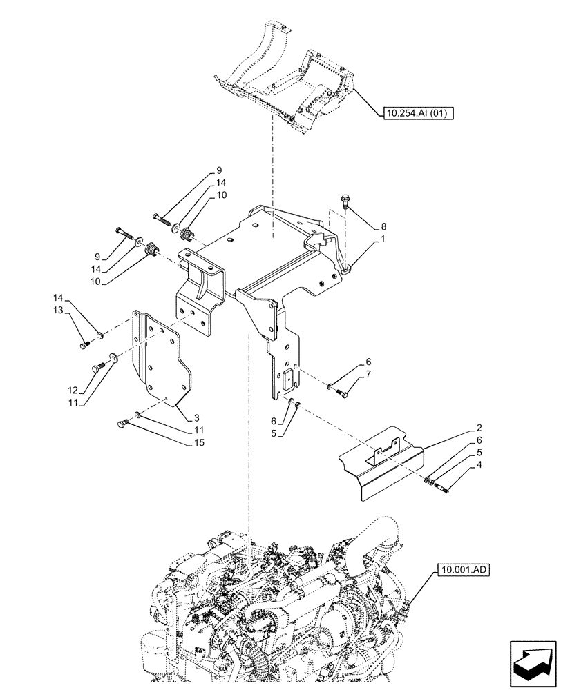
Запчасти Case IH FARMALL 75C (10.254.AI[02]) - VAR - 330150, 331466, 332151, 391151, 743544, 743545 - EXHAUST SYSTEM, SUPPORT (10) - ENGINE

Схема запчастей Case IH FARMALL 75C - (10.254.AI[02]) - VAR - 330150, 331466, 332151, 391151, 743544, 743545 - EXHAUST SYSTEM, SUPPORT (10) - ENGINE
9
6
12
10.001.ad
2
5
14
4
11
11
10
14
14
10.254.ai (01)
9
15
10
13
8
1
5
6
7
3
6
FIT
1:1
100%

Артикул

Название

Примечание

Количество

1

47450519

BRACKET

1шт.

2

47447397

HEAT SHIELD

1шт.

3

47451374

BRACKET

1шт.

4

13517320

STUD,M8 x 1.25 x 35.00mm, Cl 8.8, PLN

2шт.

5

16100811

NUT,Hex, M8, 6.80mm, Cl 8, ZND

4шт.

6

11193874

BELLEVILLE WASHER,M8 Bolt Size x 16mm OD x 1.4mm Thk

6шт.

7

16043624

SCREW,Hex, M8 x 1.25 x 25mm, Cl 8.8, Full Thd

2шт.

8

16288524

FLANGE BOLT,Hex, M10 x 1.25 x 30mm, Cl 8.8, Full Thd

M10 x 1.25 x 30

2шт.

9

16044221

SCREW,Hex, M8 x 1.25 x 50mm, Cl 8.8

2шт.

10

84529819

BUSHING,M24 x 1.5

14mm ID, M24 x 1.5mm

2шт.

11

11198479

BELLEVILLE WASHER,M10 Bolt Size x 27mm OD

10.5mm ID x 27mm OD x 2.8mm Thk

6шт.

12

11106434

BOLT,Hex, M10 x 30mm, Cl 10.9, Full Thd

3шт.

13

16043424

SCREW,Hex, M8 x 1.25 x 20mm, Cl 8.8, Full Thd

3шт.

14

10519604

WASHER,8.15mm ID x 17mm OD x 2mm Thk

5шт.

15

11106024

BOLT,Hex, M10 x 20, 8.8, Full Thd

3шт.

Выбрано товаров: 15