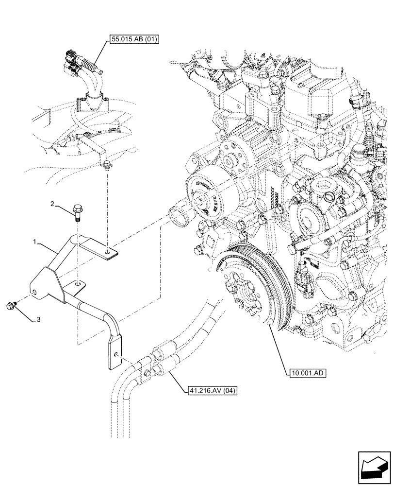
Запчасти Case IH FARMALL 75C (10.450.AL ) - VAR - 334187, 334190, 392315 - PULLEY & BELT, SUPPORT, W/O CAB (10) - ENGINE

Схема запчастей Case IH FARMALL 75C - (10.450.AL ) - VAR - 334187, 334190, 392315 - PULLEY & BELT, SUPPORT, W/O CAB (10) - ENGINE
1
55.015.ab (01)
3
10.001.ad
41.216.av (04)
2
FIT
1:1
100%

Артикул

Название

Примечание

Количество

1

47548338

BRACKET

1шт.

2

16287224

BOLT,Hex, M8 x 1.25 x 25mm, Cl 8.8, Full Thd

M8 x 25 Cl 8.8 DAC

1шт.

3

16285924

BOLT,Hvy Hex, M6 x 12mm, Cl 8.8, Full Thd

1шт.

Выбрано товаров: 3